- 易迪拓培训,专注于微波、射频、天线设计工程师的培养
可以两用音频电路问题
录入:edatop.com 点击:
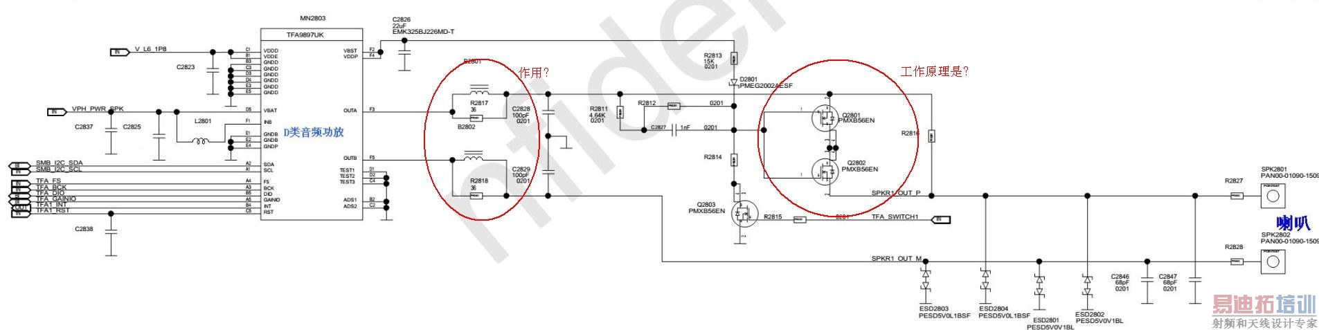
帮解释一下以下电路的工作原理,受话&喇叭如何工作?


听筒、喇叭二合一电路原理没有高手知道吗?帮忙解释下,谢谢!
rtu rttrjgh awer yqagwer t32
前面是滤波加抗EMI,至于后面的mos管不太清楚,我们有用过9890这颗料,设计没这么复杂
上一篇:芯片的eFuse有什么用?
下一篇:耳机天线与USB线共用问题

