- 易迪拓培训,专注于微波、射频、天线设计工程师的培养
请教一下这个ESD防护芯片的VCC是干嘛用的
录入:edatop.com 点击:
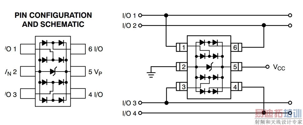
如图,左边是TVS芯片的引脚定义,右边是芯片的推荐电路,请问VPP是干嘛用的?如果不接这个电源会怎么样?
芯片是ON semi的NUP4201MR6

芯片是ON semi的NUP4201MR6

双向保护吧。
VPP可以保护电源啊,并且电源也有一定的防静电能力,可以对信号多一层保护,当然也可以不接
钳位,将高电平限制在VCC+0.3V左右
可以的
上一篇:死机有哪些硬件可能
下一篇:关于手机充电方式的侦测

