- 易迪拓培训,专注于微波、射频、天线设计工程师的培养
线路驱动器与线路接收机不同特性的比较(英)
Today they are used not just for digital data transmission but also for control, synchronization and clock signals. In light of the advantages of connecting systems designed and built by different manufacturers, line drivers benefit greatly from the development of industry standards.
Today’s physical-layer devices offer low power consumption, low electromagnetic radiation and susceptibility, fast speed, longer-distance coverage and electrostatic discharge (ESD) robustness. This article will review the background of many commonly known standardized electrical-level interfaces and describe their relative application merits.
Logic circuits such as transistor-transistor logic (TTL) or CMOS can drive output signals on the order of 100 MHz over a few centimeters. One logic family, emitter-coupled logic (ECL)-including such derivatives as positive ECL, low-voltage PECL and negative ECL-is capable of gigahertz speeds and can cover distances on the order of meters. ECL devices are often used for line-driver-type applications but are still considered logic families.
Families of devices using logic family adaptations with ever narrower input-voltage thresholds, such as backplane-transistor logic, enhanced-transceiver logic and Gunning transceiver logic, were developed for backplane applications. These extensions offer increased speed, at a cost of increased susceptibility to noise. They are effective and efficient on some backplane applications in 19-inch rack systems.
Over time, the parallel bus schemes have required ever wider bit widths for ever increasing volumes of data. They are relatively power-hungry and require very careful channel-to-channel skew alignment. Most telecommunications switches today thus employ point-to-point mesh fabric, using such standards as Ethernet, RapidIO and PCI Express, for mass data transmission. These higher-level standards include protocol-handling schemes, reuse and reference line-driver standards. For example, PCI Express uses low-voltage differential signaling (LVDS), and Profibus uses RS-485 electrical levels.
The well-known RS-232 standard is a singled-ended standard with the advantages of low cost and simple implementation. The disadvantages are its susceptibility to noise and crosstalk, potential ground shifts, low data rates and relatively short drive distance. Also, the ground wire forms part of the system, so the receiver is prone to false triggering due to voltage transients that arise from the electromagnetic coupling of neighboring circuits or equipment such as electric motors.
Note that "RS" is legacy terminology that originally designated recommended standards of the Electronic Industries Alliance (EIA). RS-232 was revised several times and is correctly known today as EIA/TIA-232-F. (The Telecommunications Industry Association [TIA] is an affiliate of the EIA.) These standards are often adopted by national and international standards organizations such as the American National Standards Institute, International Telecommunications Union and International Standards Organization.
The RS-232 standard specifies a maximum cable length of 15 meters and a maximum speed of 20 kbits/second. It was intended for use as a connection between data terminal equipment (DTE), such as ’60s-era teletypewriters, and data communications equipment or modems. But RS-232 was used in many cases to connect two DTEs or terminals to each other, using the so-called "null modem" direct connection. Later, it found further use as the PC serial port.
PCs and laptops today use the Universal Serial Bus (USB), but the widespread use of RS-232, along with its simplicity, means that it still often is seen in a variety of equipment. For example, it is used in large rack systems for boot program loading and diagnostics. RS-232 devices available today are capable of speeds up to 1 Mbit/s and, because of built-in charge pumps, can be powered from a 3.3-V supply, in addition to the traditional, 5-V supply. Many RS-232 drivers and receivers offer 15-kV Human Body Model (HBM) ESD protection (for more information on the HBM from the Electrostatic Discharge Association, click here).
RS-422 and more
RS-422 was introduced to overcome the limitations of RS-232. It uses a differential, or balanced, signaling technique to allow for a maximum speed of 10 Mbits/s and a maximum distance of 4,000 feet. It allows 10 receiver drops on one line, with a total load of 400 W and a mandatory termination resistance of 100 W. It also offers a maximum prescribed common-mode voltage range of -7 V to + 7 V, which helps counter transient spikes and ground shifts. It became popular in telecom applications and is still widely used today.
RS-485 is an extension of RS-422 that is intended for multipoint buses. That means multiple drivers can be attached to a common differential bus. The standard dictates that up to 32 "unit loads" can be connected to the bus. A unit load corresponds to a 12-kW load over the -7 to +12-V common-mode input-voltage range of RS-485 receivers. By changing the input impedance of the receiver, the IC can cater to unit loads of one-half, one-fourth and even one-eighth the prescribed value, so that up to 256 nodes may be attached to a single bus.
The standard allows for a trade-off of speed (rise time <10 percent UI: the unit interval or bit duration) and distance (a maximum of 1,200 meters is prescribed). These attributes make RS-485 well-suited to industrial applications such as transferring measurement data from various sensors and sending control signals to actuators over cables to and from a centralized programmable logic controller in a factory. RS-485 is also often used in telecommunications systems for sending control and synchronization signals on backplanes.
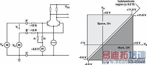
Since RS-485 can also be used in point-to-point applications, most modern IC developments have been around that standard rather than RS-422. Today, RS-485 devices are available that operate from 5-V or 3.3-V supplies for lower power consumption, offer robust ESD protection for device survivability, extend input common-mode ranges beyond the standard requirement for better resilience against noise, and enable even receiver equalization on the inputs for longer cable distances (Figure 1).

Figure 1: Differential amplifier construction using a 5-V supply, with a divider on the input, allows for a wide common-mode voltage of -7 V to +12 V.
Very similar electrically to RS-485, the Controller Area Network (CAN) standard was developed in Germany for use in automotive applications, but it is increasingly being used in industrial applications as well.
Going to LVDS
With the ever-increasing volume of telephone traffic, which started moving to digital transmission in the 1980s and increased with the arrival of the Internet in the 1990s, systems have required interfaces faster than the available RS types. ECL was increasingly used, but as voltage-switching devices, the ECL devices need complicated termination schemes that consume considerable power in addition to the IC’s consumption.
LVDS, a current-mode driver for point-to-point communication, soon became the obvious alternative. A current of approximately 3.4 mA circulates clockwise or counterclockwise over a differential line and is then terminated with one resistor of 100 W. The TIA/EIA-644A standard calls for a maximum speed of 655 Mbits/s, but devices available today are capable of gigabit speeds. LVDS is extremely popular in telecommunications and data communications switching applications, and it also has been used for video data transmission.
The low voltage swing of 340 mV means LVDS performs well in environments where EMC is a concern. It is found integrated into ASICs, FPGAs, ADCs and DACs, and it is still used extensively in buffer/translator standalone devices for clock distribution. LVDS is also commonly found in serializer/deserializer (serdes) devices, where multiple lines of single-ended data are compacted into a greatly reduced number of differential lines. That reduces the cost of equipment with regard to copper wiring and connectors.
FlatLink3G from Texas Instruments, a new serdes solution for transmission of 24-bit RGB video data from a mobile phone applications processor to the LCD screen over the clamshell hinge, uses sub-LVDS, with even smaller voltage swings. FlatLink3G offers a scalable solution for screen resolutions from quarter video graphics array (QVGA) to extended graphics array (XGA), with very low electromagnetic interference.
As LVDS is to RS-422, so is Multipoint LVDS (M-LVDS) to RS-485, which trades robustness for speed. Therefore, it is less likely to be used in noisy industrial situations but is well-suited to communications applications. M-LVDS (TIA/EIA-899) is an LVDS variant for buses that caters to the increased capacitive-loading effect of multiple cards in a backplane, as well as the required double termination at both ends of the bus. M-LVDS uses a current output drive of 11.3 mA, about three times that of LVDS. Some designers have used M-LVDS in point-to-point cable applications to benefit from its increased signal magnitude.
The standard includes contention provisions that allow for 32 nodes on any single line. The provisions specify that the ICs maintain the bus voltage in a range from 0 to 2.4 V at all times. Two kinds of receivers are defined: Type-1 receivers, with a trigger level around zero volts, and Type-2 receivers, with a 100-mV offset, to counter ringing on TTL outputs whenever the differential inputs are disconnected (a condition known as failsafe). Given those advantages, the PICMG 3.0 recommendations for Advanced TCA backplanes use M-LVDS for distribution of synchronous clock signals. M-LVDS is available today with various footprints, and provides signal integrity in backplane clock distribution (Figure 2 and Figure 3).

Figure 2: M-LVDS for clock distribution on a backplane.

Figure 3: Oscilloscope time-domain display shows signal integrity on M-LVDS for high-speed backplane.
Conclusion
Standardized electrical-level interfaces such as line driver and line receiver circuits are varied and play an important role in many applications. Although many have been in existence for some time, the technologies and standards continue to evolve as the industry requirements and applications change. Ultimately, end users will reap the benefits as higher speeds, lower power consumption and more-robust ESD protection make products more reliable, more flexible and easier to use.

