- 易迪拓培训,专注于微波、射频、天线设计工程师的培养
2012年智能手机用DRAM能否成为主流?

此次发布的LPDDR3的4Gbit产品(点击放大)
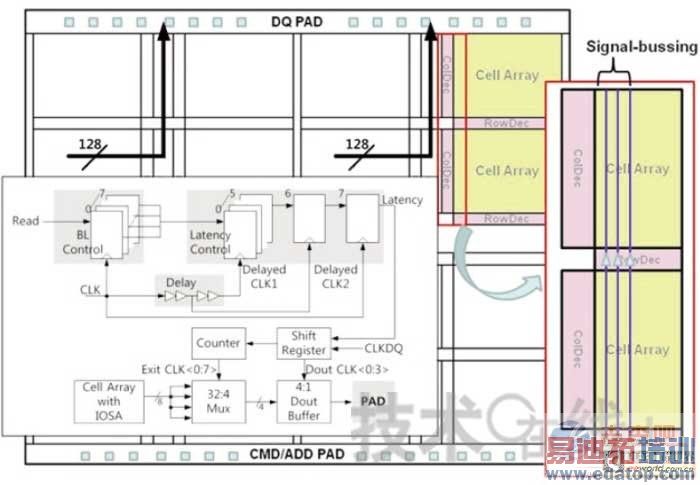
此次开发的DRAM架构(点击放大)
“用于智能手机的DRAM今年或将成为主流”。韩国三星电子在“ISSCC 2012”上发布了新一代低耗电量DRAM——LPDDR3 SDRAM(演讲序号:2.4)。新产品为采用30nm工艺的4Gbit产品,电源电压为1.2V,每端子的最大数据传输速度为1.6Gbit/秒。总线宽度为32bit,因此芯片整体的最大数据传输速度为6.4GB/秒。LPDDR3产品此次是首次在ISSCC上发布。
目前智能手机配备的LPDDR2每端子的最大数据传输速度为800Mbit/秒,芯片整体的最大数据传输速度(总线宽度为32bit时)为3.2GB/秒。电源电压为1.2V。也就是说,此次的LPDDR3在电源电压没变的情况下,将每端子的传输速度提高到了LPDDR2的2倍。
此次发布的4Gbit LPDDR3产品的芯片面积为82mm2。与LPDDR2产品具有向后兼容性。采用8 Bank构成,进行8bit预取。为提高速度,将内部数据总线宽度扩大至LPDDR2的2倍。为改善信号完整性,在裸片上集成了终端(片内终结器:on die termination,ODT)。
据三星介绍,为了玩三维游戏和观看高清视频等,对移动DRAM的高速化需求日益高涨。而另一方面,由于功率预算(power budget)有限,因此耗电量不能增加。作为兼顾高速化和低耗电量化的方法,该公司考虑了与目前的LPDDR2相比大幅提高每端子传输速度的方法,以及大幅增加端子数的方法。前者就是导入串行IO,而后者是导入双通道应用和Wide IO规格。关于串行IO,三星称其电力效率不如LPDDR2。而Wide IO由于难以进行故障分析(SiP建模),而且积层成品率较低,可能会使成本升高。综合上述几个方面,“LPDDR3成了最有力的候选”(三星)。
上一篇:SATA III SSD战况全面启动 记忆体厂推新机种应战
下一篇:1.3Gbps!博通发布全球首款5G Wi-Fi SoC控制器

