- 易迪拓培训,专注于微波、射频、天线设计工程师的培养
AT89C52的智能无线安防报警器
现在安防报警系统越来越受到人们的重视,人们对报警器功能和性能方面的要求也越来越高。本文提出一种基于AT89C52的智能无线安防报警器:
能与标准保安探头进行无线连接,实现大范围安防监控,并可随意扩展。
多防区功能。能够区分各种警情,并能够用语音播出警情类别。
自动电话报警,向远方用户提供警情语音和现场声响,并接收用户指令进行相应操作。
多功能自由切换,低误报率,高可靠性。
使用方便,有较高的性价比。
本报警器串接在外线和用户的普通电话机中间。报警号码的输入、报警语音的录制、无线传感器的录入及其他主机参数的设定都是通过电话机完成,平时不影响电话机的工作,用户用遥控器对主机进行布防或撤防。当主机接收到来自无线探头发过来的编码信号时,主机将编码与原来存入的编码进行对照,并查询系统参数,决定是否报警和采取何种方式报警。它可以自动拨出用户设置的报警电话,通过语音告知警情,用户可监听现场声响,还可通过电话指令启动警号和其他执行机构(如防煤气泄露,可启动排风扇),并决定主机进入布防还是撤防状态。用户还可以主动从异地打电话到主机,对主机布防或撤防。

图1系统框图

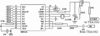
图2 DTMF收发电路

图3 数字语音录放电路

图4 断线、回铃检测电路

图5 后备电源电路

图6 主程序流程图

图7 设置子程序流程图
系统结构
本系统的核心部分是AT89C52,其它的主要单元电路有:无线编码接收电路、DTMF收发电路、数字语音电路、通话电路、线路切换电路、断线检测和回铃检测电路,以及电源、后备电源电路等。系统框图如图1所示。
单片机、看门狗电路、无线编码接收电路
采用MCS-51系列的AT89C52单片机,它有8K的EEPROM,无需扩展外部存储器。256字节的RAM和32线I/O口,完全可以满足本系统的要求。看门狗电路采用X5045,它是一种集看门狗、电压监控和串行EEPROM三种功能于一身的可编程电路。它内部的512字节的EEPROM用来存放无线探头的编码和一些系统设置参数。X5045可提供1,000,000次擦写和100年的数据保存期。无线编码接收采用常见的超再生接收模块,频率315MHz,ASK方式,不含解码芯片PT2272(采用软件解码),与无线探头端的编码芯片PT2262对应,有312种编码,保证了有足够的保密性。模块的信号输出端直接接到单片机的P1.1进行软件解码。
DTMF收发电路
DTMF(双音多频)收发电路如图2所示,其核心芯片为MT8880,可接收和发送DTMF全部16个信号,具有接收呼叫音和带通滤波功能,能和微处理器直接接口。单片机通过DTMF收发电路拨出电话号码进行电话报警,并接收远端用户的电话遥控指令进行相应操作。DTMF电路的输入输出信号都会经过信号放大电路(以TEA1062为核心)进行增益调整。
数字语音录放电路
数字语音录放电路如图3所示。所用的数字语音芯片ISD1420,采用先进的模拟数字语音存储技术,音质好,无须A/D转换,可录制20秒的语音信息,可分段存储信息,采用总线技术,适宜与单片机接口。 另外,它是零功率信息存储方式,断电情况下,信息可保留10年以上;易于使用,可随意改变录音内容,录放次数达10万次以上。在本系统中,用户通过电话机将各种警情语音和用户的地址语音(便于与110联网)分段录入到ISD1420中。6种警情(或对应6个防区)共6×2秒=12秒,地址语音8秒。在使用ISD1400系列的语音芯片时,应注意在REC和VCC之间接一个0.1mF的电容,以防止在上电时出现录音操作而破坏原来录制的信息。
通话电路
TEA1062是电话机专用通话集成电路。送话时,语音信号(来自ISD1420和驻集体话筒)通过MIC+引脚输入,DTMF信号(来自MT8880)通过DTMF引脚输入,经过TEA1062放大后从LN引脚一起送到电话外线上。受话时,信号通过消侧音网络,从IR引脚输入,放大后从引脚QR输出,分两路:一路送到ISD1420的ANA-IN端供语音录制用,另一路送到MT8880的IN-端提取DTMF信号。
断线、回铃检测电路
为防止电话线路故障或人为损坏而导致不能电话报警,作为一种补救措施,本系统中加入了断线检测电路,图4为断线、回铃检测电路。断线检测电路有两个,一个是由整流桥和9018构成的高输入阻抗检测电路,用于平时检测电话外线的线路电压,是主机自检的一部分。此电路应满足电话机入网要求,保证外线泄露电流在15mA以下。另一个是由光耦4N33 构成,外线电压送到4N33的B端,若电话报警时外线突然被剪断,则C端跳变为高电平,此时单片机将由电话报警方式自动转换为警号报警方式,起到双重保护的目的。同时,4N33也构成回铃检测电路。当用户从异地打电话到主机进行布防撤防操作时,振铃信号通过涤纶电容、整流桥送到4N33的IN+、IN-引脚,引起C端电平的跳变。光电隔离可以防止高压振铃信号串入主机。当主机检测到振铃信号达到相应次数后,主机便自动摘机,接收用户输入的密码,若密码正确,则主机开始接受用户的遥控指令。
线路切换、电话设置电路
线路切换电路由两个双刀双置继电器组成,实现主机、外线、电话机连接关系的切换。平时外线与电话机连通;报警时和异地主动监控时,外线与主机连接;对主机进行设置时(包括录报警电话号码,录语音,及其他参数设定),主机断开外线,只与电话机相连,此时主机需要通过一个恒流源来给TEA1062提供电源。恒流源由发光二极管、S8550和几个电阻组成。是否进入设置状态由一个设置开关来决定。设置开关开,则恒流源投入,并且软件转入响应的设置子程序。
后备电源电路、显示电路、驱动电路
为保证市电断电时,主机仍然能够进行电话报警,本系统中设有后备电源电路,如图5所示。用4节1.2V的镍镉充电电池作为后备电源,电力不足时能够自动恒流充电;利用电压检测模块HT7050A,电池充电满后自动停止充电。当市电停电时,电子开关打开,后备电源接入系统。
由于有语音区分警情类别,故系统对显示电路的要求不高。用一个发光二极管做电源指示,再用一个发光二极管指示工作状态:布防(点亮)、撤防(熄灭)或报警中(闪烁),便可以满足要求。
执行机构用于一些特殊场合,如在防煤气泄露中启动排风扇。为保证执行机构有足够的驱动能力,系统采用过零触发光耦MOC3041驱动双向可控硅,可有220V、10A的驱动容量。
系统软件设计
系统软件采用模块化结构和子程序嵌套技术,可读性好,便于编制和扩充。主流程采用顺序查询方式,分别检测无线编码信号、设置按钮的开关状态、外部振铃信号。用于检测后两个信号的时间很短,可以认为主机是在随时接收无线编码信号。
主程序流程
主程序流程如图6所示。它反复循环,调用以下几个主要子程序:
(1)无线编码检测程序。如果检测到有效信号,则转入软件模拟PT2272解码子程序和报警子程序。
(2)设置按钮状态检测。如果设置开关打开,则转入设置子程序,设定主机参数。
(3)外部振铃检测程序。如果振铃达到设定的次数,则转入监控子程序。
通过参数设置,也可禁止异地主动监控。
设置子程序流程
设置子程序的流程如图7所示。
主要子程序的简要介绍
(1) 报警子程序:判断是否该报警,该采用何种报警方式(电话报警,警号报警或者两者同时报警)。若是采用了电话报警方式,那么它会调用拨号子程序来拨出预先设定的报警电话,选择恰当的语音放送到电话线路上,此过程中它还会检测是否有来自遥控器的撤防信号,或是用户端的反控信号。
(2) 监控子程序:当用户在异地向主机打电话来进行布、撤防或其他操作,监控子程序就会接收用户的这些指令。它首先校验用户密码,看是否是合法用户。如果是,则监控子程序可按照用户的指令进行布防、撤防、启动警号、开关继电输出口等。
几点注意事项
(1) 无线编码的软件解码。本报警器用软件模拟PT2272来进行软件解码,这样无论发射端PT2262的地址码是怎样的,报警器都可以接收该编码。而采用硬件PT2272进行解码时,只有它与PT2262的地址码完全一致时,才能成功解码。由于一台报警主机要能与多个无线传感探头进行无线方式连接,且能够区分各探头达到分区的目的,因此必须采用软件解码方式。
(2) 主机的防误报功能。在本报警器使用过程中,我们发现绝大多数烟感探头存在着电池电压下降(9伏电池降到7.5伏左右)而导致误发信号的问题,这就会导致主机的误报警。这是同类报警器普遍存在的问题。根据对烟感探头低电误报特点的研究,发现此时烟感探头发出的码信号比正常报警时要短,于是在程序中加入灵敏度调节模块,规定只有连续几次都收到有效信号(只针对装有烟感探头的防区),主机才开始报警。灵敏度6级可调,只要设置合适,就可以兼顾灵敏度和可靠性,解决烟感探头的误报问题。
(3) 主机工作方式的灵活性。在软件中定义了30多条指令,可以对主机进行各种工作方式的选择,参数大小的设置,便于调试人员调试,也便于用户使用,将软件的功能发挥到最大。
结语
本文介绍的安防报警器能够实现分区,具有自动电话语音报警功能,借用普通电话作为键盘,来对报警主机进行设置,并通过软件实现强大的功能。考虑到可扩展性,在软件中含有联网子程序,可与监控中心的PC机联网,适用于小区和大楼等场合的集中管理。
上一篇:一种远程自动报警系统的设计
下一篇:手机白光LED驱动电路解决方案分析

