- 易迪拓培训,专注于微波、射频、天线设计工程师的培养
如何提高视频输出的质量
人类是容易被视觉所引导的,所以存在一个高分辨率的等离子电视市场也就不奇怪了。尽管这些40英寸平面庞然大物的价格是阴极射线管(CRT)显示设备的10倍,消费者仍愿意为新技术带来的分辨率和对比度的提升而付账。
同样的,消费者对手持设备中的视频和显示器的预期也在逐步提高。手机、PDA,甚至像iPod这样的MP3播放器也能提供像几年前的大尺寸显示设备那样清晰的影像。今天的便携设备配备了更明亮、更华丽、更好操作的显示器,但是它们易受噪声的干扰,因而降低了视频信号的质量。
当视频输出信号的总体质量稳步提升的时候,由噪声和电子干扰引起的显示错误也愈发明显。同时,当手机、微波炉和无线网络的使用越来越广泛,潜在的干扰源也变的越来越强大和普遍。使手机变得如此流行的便利性条件也同样的对其他无线设备起作用。
这些趋势给那些希望给便携设备集成高质量视频的设计者带来了很大的挑战。消费者的高预期,多种格式的兼容性,有限的电池寿命,用户的不合理操作和多种的外部信号干扰,这些都意味着今天的视频驱动器必需要有多种特性和对抗多种干扰源的能力。
单芯片集成的趋势使得手持设备变的小巧而可靠,并具备了多种功能。现在的视频驱动器的尺寸已经小于1mm3,但仍然能提供高质量、无明显干扰的视频输出信号。除了半导体制造技术的进步之外,小尺寸的芯片和表面贴装芯片的流行也意味着更多的高科技元件能做成最小的体积。表面贴装芯片比过孔式模型有更多的优势,比如能用取放机器进行简单的自动组装,在节省空间的双面电路板设计方面提供更多的灵活性。
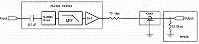
采用较少的元件是另一个节省空间和能量的趋势,它能使便携设备在变小的同时延长了电池寿命。片上全集成系统意味着外部的电阻、电容和电感都已对系统工作毫无帮助了。举例来说,集成的滤波器可以节省一打外部元件,一个三阶滤波器就能省下14个元件。此外,同多种视频信号的兼容意味着多个滤波器要并存,它们要保持自己的操作模式。此外,集成滤波器的容差(tolerance)是分立器件的一半,使操作更可靠、更稳定。
这些滤波器需要以一种对用户来说切换过程就像是透明的或无痕迹的方式来切换。从8MHz的标准分辨率输出到15MHz 逐行扫描或32MHz高分辨率输出的转换意味着视频信号突然被置于一种完全不同的带宽接口,因此,滤波器必须进行相应的补偿。像RGB这样的3通道信号与Y/C这样的2通道信号要求的滤波器就不同。市场上存在如此多的不同信号格式,目前的问题是芯片是否能支持客户需要的所有这些格式,切换过程会不会存在问题。

交流耦合的视频信号输出方式
直流耦合的视频信号输出方式
由于存在大量需要支持的选项,因此,产品中一些不常用的功能也要消耗一部分能量,无论它是滤波器还是外置的同轴电缆驱动器。再加上产品功能、产品特性以及消费者的需求已远远超过了电池技术的发展速度,因此,效率对于任何手持设备来说都是一个关键因素。现在的锂离子电池技术比过去的镍氢和镍镉电池技术有了相当的提高,但是谁会花大量时间讨论手机还有多少电量剩余呢?用户肯定对那些由于不能在规定的时间间隔内持续供电而不得不再充电的现象不满意。
对于一个系统设计者,在选择电池容量上他可能无能为力,但是他可以选择效率更高的元器件。显而易见,芯片在工作状态时,需要关注它的功耗,但这些器件在待机状态的功耗也同样重要。众多器件都存在待机功耗,即使单个器件的待机功耗很小,但加起来整个系统的待机功耗也会使电池使用时间大打折扣。幸运的是,目前市场上的视频驱动器待机功耗非常低,在不工作时,电流只有250μA。
与其他便携设备相比,手机由于在物理结构上存在的问题而给其设计提出了额外的挑战。尽管越来越多的新功能使手机更实用也更贵重,人们却会毫不犹豫的在认为不能使用MP3播放器和数码相机的恶劣环境中使用手机。这就给稳健度提出了比以前更高的要求。
电子产品的稳健度的确更重要了。和从前相比,现在的便携产品芯片密度更大、功耗更低、体积也更小,然而也更容易遭到电击的破坏。一个人仅仅从地毯上走过就可能产生几千瓦的电荷,这些电荷也很容易转移到他拿着的移动设备里。虽然可能产生的电火花电流很低,但其极高的电压对小型设备是极其危险的。因此,对于像视频驱动器芯片等和外界相连接的部件,带有集成的保护功能或外加保护电路是非常必要的。具有高质量的保护功能的设备至少要能够承受12kV的高压。
尽管对视频驱动器有如此高的要求,若最终的视频信号没能达到消费者的期待一切努力就白费了。为了保持尽可能高的视频输出质量,视频驱动器需要完成可重构滤波器的功能。噪声只有降到 -20dB(可视水平)以下才能使其不被察觉,这可以通过3~6阶滤波器来实现。
噪声的种类包括人为的高频外界电磁干扰和低频振荡产生的边带摆动等。外界的EMI可能源于附近的任何无线设备,甚至是微波炉。我们周围的空间里充满了无线电
最终用户也许永远不能理解满足他们对更多功能、更长的电池寿命、更好的兼容性和更清晰的音视频的要求有多么困难。幸运的是,器件生产商和芯片设计师一如既往的努力为系统设计师提供更高性价比的部件。

