腔体滤波器求救HFSS结果跟理想结果差太远求高手指教
录入:edatop.com 点击:
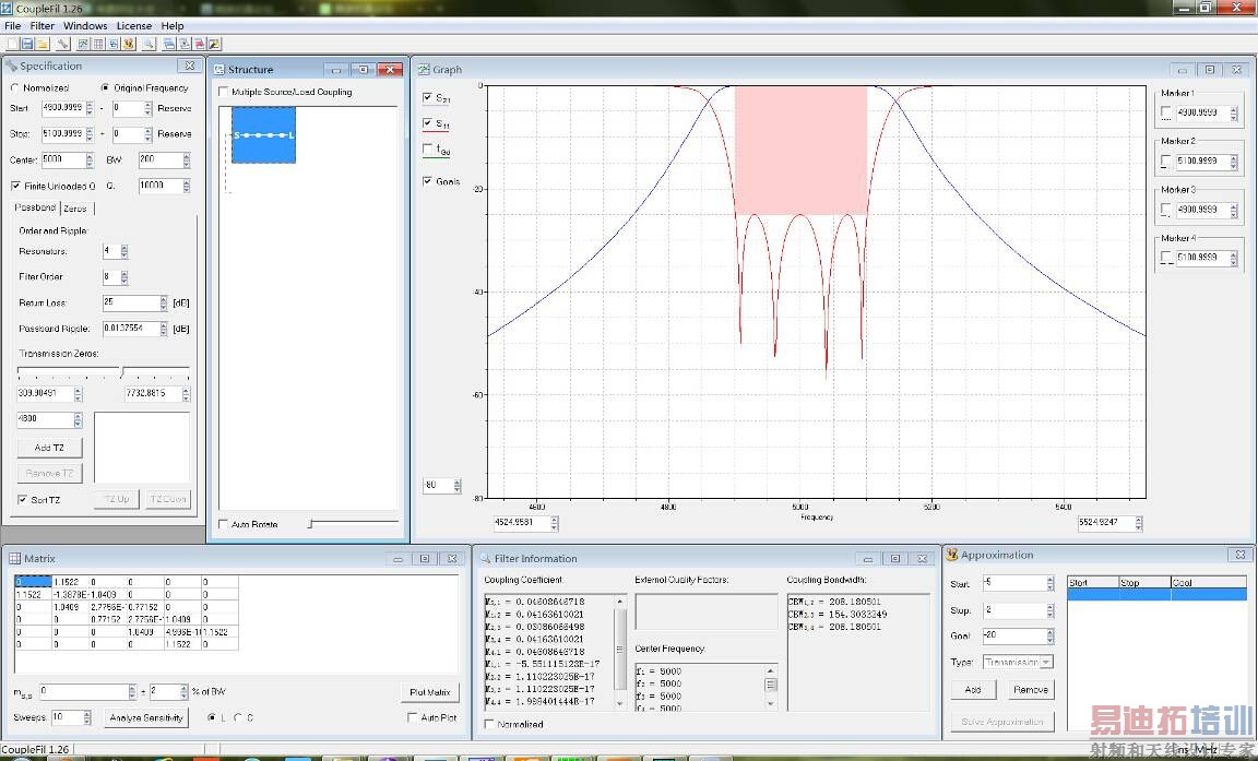
本人设计5GHz腔体滤波器,用软件计算耦合系数,用HFSS建模后,发现结果烂的很,求高手指教,我附图说明










自己顶一下
哦,还是介质滤波器哦。输入输出没有仿真到位;频率似乎没有到位。还有哦,你们仿真的 时候,为什么不把扫描点数增多点呢?为什么呢,为什么呢?为什么都不增加扫描点数呢?这样的图形能看出啥啊?
恩恩,谢谢大神指点
看了ADS的S11,S22结果,想到我第一次玩ADS的时光。

