关于二阶Sigma-Delta调制器的反馈电压大小的确定
录入:edatop.com 阅读:
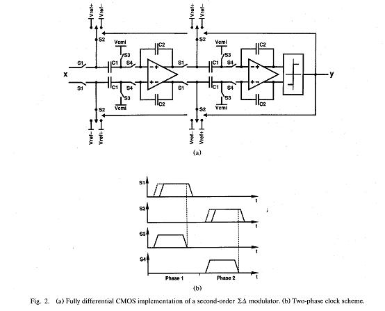
我选择的二阶Sigma-Delta调制器原理图如下:

现在,积分器和比较器都已经设计完成,准备连起来调试,关于Vref+,Vref-和Vcmi三个电压的确定,不是很清楚。按照自己的想法做的仿真结果并不好,请各位高手帮忙。现将我设计的放大器和积分器的输入输出直流情况介绍一下:
放大器:输入共模电平为0.7V, 输出共模电平范围0-1.4V
积分器:增益1/2,输出范围0-1.4V
电路工作电压为1.8V。
我的想法Vref+和Vref-分别为1.4V和0V,Vcmi为放大器的输入共模电压0.7v,另外反馈Vref+和Vref-的电路设计如下:

其中S2和S2b为时钟信号,S和R为比较器(一位量化器的输出),符号TG为CMOS开关。
主要有两点问题想请教大家:
1、电平Vref+,Vref-和Vcmi如何确定,有什么依据?
2、反馈Vref+和Vref-的电路需要做什么改进,做过的大虾能提供实际参考就更加谢谢了!
其他没有想到的问题,各位也可以指教。谢谢大家!

现在,积分器和比较器都已经设计完成,准备连起来调试,关于Vref+,Vref-和Vcmi三个电压的确定,不是很清楚。按照自己的想法做的仿真结果并不好,请各位高手帮忙。现将我设计的放大器和积分器的输入输出直流情况介绍一下:
放大器:输入共模电平为0.7V, 输出共模电平范围0-1.4V
积分器:增益1/2,输出范围0-1.4V
电路工作电压为1.8V。
我的想法Vref+和Vref-分别为1.4V和0V,Vcmi为放大器的输入共模电压0.7v,另外反馈Vref+和Vref-的电路设计如下:

其中S2和S2b为时钟信号,S和R为比较器(一位量化器的输出),符号TG为CMOS开关。
主要有两点问题想请教大家:
1、电平Vref+,Vref-和Vcmi如何确定,有什么依据?
2、反馈Vref+和Vref-的电路需要做什么改进,做过的大虾能提供实际参考就更加谢谢了!
其他没有想到的问题,各位也可以指教。谢谢大家!
关注……
1# BackerShu
learning !
申明:网友回复良莠不齐,仅供参考。如需专业解答,请学习本站推出的微波射频专业培训课程。
上一篇:sigma delta 的量化噪声频谱是20(m-1)dB/dec吗
下一篇:关于PSS+PAC仿真DC DC Converter问题

