- 易迪拓培训,专注于微波、射频、天线设计工程师的培养
基于DSP的中频电源测试系统设计
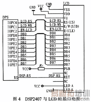
DSP2407与LED之间的接口电路如图4所示。其中DSP的IOPE0~IOPE7用作数据接口,与LCD模块的数据线DB0~DB7相连,完成与LCD间的数据传送;IOPC0与RS(CS)相连,为指令/数据选择位,H为数据选择位,L为指令选择位;IOPC1与R/W脚相连,为读/写选择位,H为写信号,L为读信号;IOPC2与E相连,工作状态使能;RET是液晶显示模块的复位端,直接连接到DSP的复位引脚RS,当系统复位时,LCD同时复位;VDD接+3.3 V输入电源。

2 系统软件设计
DSP是整个测试系统的核心,而软件编程又是这一核心的灵魂。整个DSP系统在Code Composer Setup编译环境下开发,采用汇编语言和C语言相结合的编程方式,完成对整个测试系统的软件设计。
2.1 电压数据采集子程序
电压数据采集是直接通过TMS320LF2407自带的模数转换模块(ADC)实现的。首先对ADC进行初始化,确定ADC通道的级联方式,采样时间窗口预定标,转换时钟预定标等。然后启动ADC采样,对电压信号进行采集,采样8次。由于得到的数据被默认存储到ADC转换结果寄存器(RES-ULT0~7)的高10位中,因此定义1个数组,将RESULT n中的值经过移位还原后存储到相应的数组中。A/D转换结束后,则转入中断服务程序,对采样得到的数据进行分析和处理。电压信号数据采集子程序的流程图如图5所示。

2.2 频率数据采集子程序
交流电压频率的采集是通过DSP2407的捕获引脚,对频率信号调理模块输出的方波上升沿时的时钟进行捕获得到的,然后在频率采集信号数据处理部分根据相邻时钟差值求出其对应的频率值。频率信号数据采集子程序流程如图6所示。

3 结束语
该系统是基于DSP的中频电源测试系统的设计,构建了以DSP为控制核心的测试系统,并对电压互感器SPT204A的外围电路进行了设计和改进,对交流电压输出与所需输入建立了一种平台,提出了一种电压信号调理的新思路,具有结构简单,性能良好等优点,可推广使用到其他中频军用设备以及民用设备的系统测试中。
来源:维库开发网

