- 易迪拓培训,专注于微波、射频、天线设计工程师的培养
基于NCP1200A的多路反激变换器的研究
录入:edatop.com 点击:

(a)一次侧检测电流波形

(b)开关管漏源极间电压波形

图7 ics与vds波形

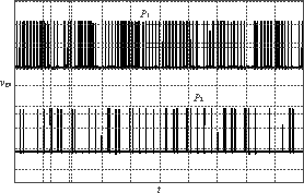
图8 不同功率下的输出脉冲(P1>P2)
图7(a)和(b)分别为电路工作在电流连续状态(CCM)和电流断续状态(DCM)的一次侧采样电阻上的电流波形和MOSFET上的漏源极之间的电压波形,试验波形中所存在的电流和电压毛刺,是由于一次侧变压器的漏感、MOSFET的体内寄生电容以及二次侧的二极管反向恢复所造成的。由于NCP1200A具有250ns的LEB功能,所以检测电流中的高频脉冲不会影响到电路的稳定性。
图8为样机工作在额定输出功率和轻载情况下的驱动波形对比,由此可以看出芯片的跳周期工作状态,从而有效地减少功耗,达到高效率的要求。
4 结语
NCP1200A是一种性能优良的电流控制型脉宽调制器,适合于超小型的开关电源设计。它具有动态自供电、软启动、跳周期低损耗工作、短路保护等功能。几乎不需要外围分立器件,就能实现多路隔离输出高效率的小型反激变换器,因而,该芯片广泛地应用于交流-直流适配器、离线电池充电器、辅助电源等。


