- 易迪拓培训,专注于微波、射频、天线设计工程师的培养
宽带射频同轴变换器的匹配电路设计
介绍了一种分析同轴线变换器的新方法,建立了理想与通用模型,降低了分析难度和简化了分析过程。通过研究分析,提出了一种同轴变换器与集总元件相结合的匹配电路设计方法,通过优化同轴线和集总元件的参数,实现放大器的最佳性能。利用该方法设计了一款应用于推挽式功率放大电路的匹配电路,仿真结果表明,匹配效率高达99.93%.
阻抗变换器和阻抗匹配网络已经成为射频电路以及最大功率传输系统中的基本部件。为了使宽带射频功率放大器的输入、输出达到最佳的功率匹配,匹配电路的设计成为射频功率放大器的重要任务。要实现宽带内的最大功率传输,匹配电路设计非常困难。本文设计的同轴变换器电路就能实现高效率的电路匹配。同轴变换器具有功率容量大、频带宽和屏蔽好的特性,广泛应用于VHF/UHF波段。常见的同轴变换器有1:4和1:9阻抗变换,如图1所示。但是实际应用中,线阻抗与负载不匹配时,它们的阻抗变换不再简单看作1:4或1:9.本文通过建立模型,提出一种简化分析方法。
1 同轴变换器模型
同轴变换器有三个重要参数:阻抗变换比、特征阻抗和电长度。这里用电长度是为了分析方便。当同轴线的介质和长度一定时,电长度就是频率的函数,可以不必考虑频率。
1.1理想模型
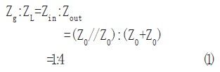
理想的1:4变换器的输入、输出阻抗都匹配,每根同轴线的输入、输出阻抗等于其特征阻抗Z0,其等效模型如图2所示。
其源阻抗Zg与ZL负载阻抗变换比为:
图2和公式(1)表明:变换器的阻抗变换比等于输入阻抗与输出阻抗之比。
同轴变换器的输入阻抗等于同轴线的输入阻抗并联,输出阻抗等于同轴线的输出阻抗串联。
1.2通用模型
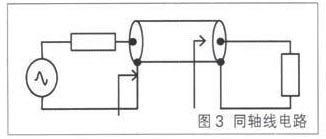
由于特征阻抗是实数,而源阻抗与负载阻抗一般都是复数,所以,就不能简单的用变换比来计算。阻抗匹配就是输入阻抗等于源阻抗的共轭,实现功率的最大传输。特征阻抗为Z0,电长度为E的无耗同轴线接复阻抗的电路如图3所示。
由于源阻抗与同轴线特征不匹配,电路的反射系数就不是负载反射系数。
由于同轴线是无耗的,进入同轴线的功率就等于负载消耗的功率。那就可以把电路简化只有一个负载Zin,又因为Zg与Zin都是复数且串联,就可以把Zg中的虚部等效到Zin中,最后得到反射系数为:
其中:
当反射系数为零时,功率可以无反射的传输,这时阻抗实现完全匹配。
由公式(2),反射系数为零可以等效为分子为零,即:


