- 易迪拓培训,专注于微波、射频、天线设计工程师的培养
几种新的电磁干扰抑制方法介绍
1 引言
随着电子设备的大量应用,电源在这些设备中的地位越来越重要,而开关变换器由于体积小、重量轻、效率高等特点,在电源中占的比重越来越大。开关电源大多工作在高频情况下,在开关器件的开关过程中,寄生元件(如寄生电容、寄生电感等)中能量的高频变化产生了大量的电磁干扰(Electromagnetic Interference,EMI)。
EMI信号占有很宽的频率范围,又有一定的幅度,经过在电路、空间中的传导和辐射,污染了周围的电磁环境,影响了与其它电子设备的电磁兼容(Electromagnetic Compatibility)性。随着近年来各国对电子设备的电磁干扰和电磁兼容性能要求的不断提高,对电磁干扰以及新的抑制方法的研究已成为开关电源研究中的热点。
本文对电磁干扰产生、传播的机理进行了简要的介绍,重点总结了几种近年来提出的抑制开关电源电磁干扰产生及传播的新方法。
2 电磁干扰的产生和传播方式
开关电源中的电磁干扰分为传导干扰和辐射干扰两种。通常传导干扰比较好分析,可以将电路理论和数学知识结合起来,对电磁干扰中各种元器件的特性进行研究;但对辐射干扰而言,由于电路中存在不同干扰源的综合作用,又涉及到电磁场理论,分析起来比较困难。下面将对这两种干扰的机理作一简要的介绍。
2.1 传导干扰的产生和传播
传导干扰可分为共模(Common Mode-CM)干扰和差模(Differential Mode-DM)干扰。由于寄生参数的存在以及开关电源中开关器件的高频开通与关断,使得开关电源在其输入端(即交流电网侧)产生较大的共模干扰和差模干扰。
2.1.1 共模(CM)干扰
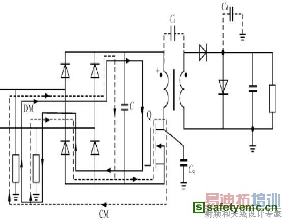
变换器工作在高频情况时,由于dv/dt很高,激发变压器线圈间、以及开关管与散热片间的寄生电容,从而产生了共模干扰。如图1所示,共模干扰电流从具有高dv/dt的开关管出发流经接地散热片和地线,再由高频LISN网络(由两个50Ω电阻等效)流回输入线路。

图1 典型开关变换器中共模、差模干扰的传播路径
根据共模干扰产生的原理,实际应用时常采用以下几种抑制方法:
1)优化电路器件布置,尽量减少寄生、耦合电容。
2)延缓开关的开通、关断时间。但是这与开关电源高频化的趋势不符。
3)应用缓冲电路,减缓dv/dt的变化率。
2.2.2 差模(DM)干扰
开关变换器中的电流在高频情况下作开关变化,从而在输入、输出的滤波电容上产生很高的di/dt,即在滤波电容的等效电感或阻抗上感应了干扰电压。这时就会产生差模干扰。故选用高质量的滤波电容(等效电感或阻抗很低)可以降低差模干扰。
2.2 辐射干扰的产生和传播
辐射干扰又可分为近场干扰〔测量点与场源距离<λ/6(λ为干扰电磁波波长)〕和远场干扰(测量点与场源距离>λ/6)。由麦克斯韦电磁场理论可知,导体中变化的电流会在其周围空间中产生变化的磁场,而变化的磁场又产生变化的电场,两者都遵循麦克斯韦方程式。而这一变化电流的幅值和频率决定了产生的电磁场的大小以及其作用范围。在辐射研究中天线是电磁辐射源,在开关电源电路中,主电路中的元器件、连线等都可认为是天线,可以应用电偶极子和磁偶极子理论来分析。分析时,二极管、开关管、电容等可看成电偶极子;电感线圈可以认为是磁偶极子,再以相关的电磁场理论进行综合分析就可以了。
图2是一个Boost电路的空间分布图,把元器件看成电偶极子或磁偶极子,应用相关电磁场理论进行分析,可以得出各元器件在空间的辐射电磁干扰,将这些干扰量迭加,就可以得到整个电路在空间产生的辐射干扰。关于电偶极子、磁偶极子,可参考相关的电磁场书籍,此处不再论述。

图2 Bosst电路在三维空间的分布
需要注意的是,不同支路的电流相位不一定相同,在磁场计算时这一点尤其重要。相位不同一是因为干扰从干扰源传播到测量点存在时延作用(也称迟滞效应);再一个原因是元器件本身的特性导致相位不同。如电感中电流相位比其它元器件要滞后。迟滞效应引起的相位滞后是信号频率作用的结果,仅在频率很高时作用才较明显(如GHz级或更高);对于功率电子器件而言,频率相对较低,故迟滞效应作用不是很大。
3 几种新的电磁干扰抑制方法
在开关电源产生的两类干扰中,传导干扰由于经电网传播,会对其它电子设备产生严重的干扰,往往引起更严重的问题。常用的抑制方法有:缓冲器法,减少耦合路径法,减少寄生元件法等。近年来,随着对电子设备电磁干扰的限制越来越严格,又出现了一些新的抑制方法,主要集中在新的控制方法与新的无源缓冲电路的设计等几个方面。下面分别予以介绍。
3.1 新的控制方法―调制频率控制
干扰是根据开关频率变化的,干扰的能量集中在这些离散的开关频率点上,所以很难满足抑制EMI的要求。通过将开关信号的能量调制分布在一个很宽的频带上,产生一系列的分立边频带,则干扰频谱可以展开,干扰能量被分成小份分布在这些分立频段上,从而更容易达到EMI的标准。调制频率(Modulated Frequency)控制就是根据这种原理实现对开关电源电磁干扰的抑制。
最初人们采用随机频率(Randomized Frequency)控制[1],其主要思想是,在控制电路中加入一个随机扰动分量,使开关间隔进行不规则变化,则开关噪声频谱由原来离散的尖峰脉冲噪声变成连续分布噪声,其峰值大大下降。具体办法是,由脉冲发生器产生两种不同占空比的脉冲,再与电压误差放大器产生的误差信号进行采样选择产生最终的控制信号。其具体的控制波形如图3(a)所示。

(a) 随机频率控制原理波形图

(b) 调制频率控制原理波形图
图3 两种不同的频率调制波形
但是,随机频率控制在开通时基本上采用PWM控制的方法,在关断时才采用随机频率,因而其调制干扰能量的效果不是很好,抑制干扰的效果不是很理想。而最新出现的调制频率控制则很好地解决了这些问题。其原理是,将主开关频率进行调制,在主频带周围产生一系列的边频带,从而将噪声能量分布在很宽的频带上,降低了干扰。这种控制方法的关键是对频率进行调制,使开关能量分布在边频带的范围,且幅值受调制系数β的影响(调制系数β=Δf/fm,Δf为相邻边频带间隔,fm为调制频率),一般β越大调制效果越好[2][3],其控制波形如图3(b)所示。
图4即为一个根据调制频率原理设计的控制电路。各种控制方法可以在不影响变换器工作特性的情况下,很好地抑制开通、关断时的干扰。

图4 一个典型的调制频率控制电路
3.2 新的无源缓冲电路设计
开关变换器中电磁干扰是在开关管开关时刻产生的。以整流二极管为例,在开通时,其导通电流不仅引起大量的开通损耗,还产生很大的di/dt,导致电磁干扰;而在关断时,其两端的电压快速升高,有很大的dv/dt,从而产生电磁干扰。缓冲电路不仅可以抑制开通时的di/dt、限制关断时的dv/dt,还具有电路简单、成本较低的特点,因而得到了广泛应用。但是传统的缓冲电路中往往采用有源辅助开关,电路复杂不易控制,并有可能导致更高的电压或电流应力,降低了可靠性。因此许多新的无源缓冲器应运而生,以下分别予以总结介绍。
EMC电磁兼容设计培训套装,视频教程,让您系统学习EMC知识...
射频工程师养成培训教程套装,助您快速成为一名优秀射频工程师...
上一篇:第一页
下一篇:减少变压器对放大器干扰的小技巧

