- 易迪拓培训,专注于微波、射频、天线设计工程师的培养
使用开关电源的产品的电磁干扰抑制对策实例
摘要:本文简要介绍了开关电源产生电磁干扰的机理以及滤波的原理,并结合实例论述了一种较为实用的开关电源电磁干扰抑制方法。
关键词:开关电源、电磁干扰、差模、共模、滤波电容、电感、频谱
由于开关电源不需要沉重的电源变压器具有价格便宜、功耗小、效率高、体积小、重量轻、稳压范围宽,对电网要求不高等优点。目前已经越来越广泛地应用在计算机及外围设备、通信、自动控制、家用电器等领域,但开关电源由于其本身的工作原理,导致其最大的缺点是产生较强的电磁干扰(EMI),EMI信号既占有很宽的频率范围,又有一定的幅度,经传导和辐射会污染电磁环境,对通信设备和电子仪器造成干扰。如果处理不当,开关电源本身就会变成一个干扰源。
随着电子产品的电磁兼容性(EMC)日益受到重视,抑制开关电源的EMI。提高电子产品的质量,使之符合有关EMC标准或规范,已成为电子产品设计者越来越关注的问题。我们在检测中碰到的一例情况就是一款柜式空调由于附加功能较多,导致空间较小,而负载功率又较大。所以将原来的电源变压器供电模式改为开关电源供电模式,虽然满足了使用要求,但没有考虑到开关电源的干扰特性。导致在申请CCC认证EMI检测时,碰到了EMI超标的问题,后来经过分析及试验改进,在电路中增加一些EMI滤波元件,使产品顺利通过了CCC认证检测,而且还使系统性能更稳定。
1 开关电源产生EMI的机理
开关电源产生EMI的因素较多,其中由基本整流器产生的电流高次谐波干扰和变压器型功率转换电路产生的尖峰电压干扰是主要因素。在一次整流回路中,组成整流桥的二对二极管只有在脉动电压超过稳压电容的充电电压的瞬间,电流才从电源输入侧流入。所以,一次整流回路产生高次畸变波,形成噪声。开关电源都是利用半导体器件的开和关工作的,并以开和关的时间比来控制输出电压的高低。由于它通常在20kHz以上的开关频率下工作,所以电源线路内的dv/dtdi/dt很大,产生很大的浪涌电压、浪涌电流和其它各种噪声。另外开关电源的输出整流二极管也处于高频通断状态,与高频变压器等组成的回路也会造成上述相同的骚扰。这些噪声通过电源线以共模或差模方式向外传导,同时还向周围空间辐射噪声。
2 EMI滤波器的结构和工作原理

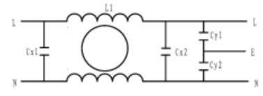
图1滤波器结构原理图
常用滤波器的结构原理如上图。电源线中的干扰分为两种,一种是共模干扰,即在相线与地线间中线与地线间存在的干扰。共模干扰在相线与中线中同时存在,大小相等,相位相同。 另一种是差模干扰,即在相线与中线间存在的干扰。差模干扰在相线与中线中同时存在,大小相等,相位相反。由于电源线中往往同时存在上述两种干扰,因此一般电源滤波器由共模滤波电路(L1、Cy1和Cy2)和差模滤波电路Cx1和Cx2综合构成。我们知道,电容的阻抗|Zc|=½πfc ,频率越高,阻抗越小,所以并联在L与N间的Cx1和Cx2就是为滤除高频差模噪声而设计,叫做差模电容,而电感的阻抗|Z1|=2 πfl,频率越高,阻抗越大,对高频噪声的抑制效果就更好。又因为L1为绕在同一磁环上的两个匝数相同、绕向相同的独立线圈,当电源频率分量差模信号经过时,由于磁通抵消,电感很小,易于通过。当共模频率分量经过时,由于磁通相加,电感很大,不易通过而被抑制。Cy1与Cy2分别接在L-E与N-E之间,也是为了将高频共模干扰噪声引入地,起到滤波效果叫做共模电容。
在实际的使用中,有时不会施加完整的滤波器。而只是根据工作原理单独选用滤波器基本组成中的滤波元件,或是根据需要再增加一级滤波。
3 改进过程
对以开关电源供电的柜式空调进行电源端子传导骚扰(150k 30MHz)的测试,测得频谱如图2,可以看到从低频到高频,大部分频段的骚扰值都高于标准规定的限值要求。

图2未整改前的空调器传导骚扰频谱 
图3开关电源的传导骚扰频谱
经过仔细察看控制板,得到此控制板的主电路原理图如下,其中滤波器1是由共模电感和差模电容组成的单级滤波电路。

图4主电路原理框图
为了解决EMI超标的问题,我们采取了如下几步措施。
(1)、增加原有滤波电路的共模电感量和差模电容值,重新测量电源端子的传导骚扰,发现频谱比之前稍有改善,但部分频段仍然高于限值曲线,基本与图2相似。我们都知道,单独的开关电源所造成的骚扰主要集中在低频端,一般在1MHz以上的骚扰值基本都在标准要求限值以下,那么如果参数选择合适,这一级LC滤波应该能够抑制开关电源的低频段的骚扰。于是在此基础上,我们再增加了一级LC滤波回路,但是测量结果显示只有些微的改善。为了查看单独开关电源的骚扰水平到底有多大。我们保持原有的一级滤波,将开关电源的负载断开,而接入一只纯阻性的负载。再对其传导骚扰进行测试,结果与我们的分析相符合,主要是低频段骚扰值超出限值水平,测得的传导骚扰频谱如图3。再增加一级滤波后,开关电源的骚扰水平已经符合标准限值要求了。
(2)、既然单独的开关电源的传导骚扰也没有如图2那么高,而且两级滤波就可以使其符合标准要求,但为何接上负载两级滤波作用就不大呢?骚扰会不会是由其负载产生?经过检查发现开关电源有一个24V的输出驱动一个静电除尘装置,会产生几千伏的振荡高压,其产生骚扰的可能性比较大。为了找到骚扰源,我们同样进行了替代实验,将开关电源与负载断开,用一只较大功率的变压器供电,还用原来的一级LC滤波电路,再进行测试,结果显示其传导骚扰并不大,从图5可以看到,骚扰频谱值都未超出标准限值。

图5 变压器带负载的传导骚扰电压

图6最终整改后的传导骚扰电压
(3)、根据试验情况,单独测量开关电源部分和负载部分的传导骚扰都不是很大,但二者一起工作骚扰就很大,而且二级滤波作用不明显。考虑开关电源产生EMI的机理,我们分析应该是由于开关电源产生的骚扰被耦合到了后续回路,即高压静电除尘回路。两者的干扰互相激励互相影响,反而导致电源端子处的电磁骚扰比二者单独测量结果都大得多,为了验证这一想法。我们在开关电源的输出整流回路与负载之间加入了一只共模电感,重新测试,这一次的骚扰值大大减小。尤其是中高频段,大部分都符合标准的限值要求了。然而,又出现了意外的情况,就是控制板在通电后,从所加的共模电感处会发出“嗞嗞”的噪声,取下这只电感,声音消失了。但电源端的骚扰又上来了。经过分析,我们认为电感发声是由于我们选用的参数不对,造成开关电源自激振荡,使输出纹波增加,导致电感线圈发出鸣叫声。经过调整电感的参数及比较,试验最终选定了一只共模电感,既使得电源端子处的骚扰得到很好的抑制,又不会发出噪声,此时在低频段,个别频率点的骚扰值相对限值余量不大。因此在保留原有单级LC滤波器的基础上,再增加一只共模电感。这样,测得的电源端子的传导骚扰在150k 30MHz整个频段内,都符合标准限值的要求,如图6所示。
总结:在整个改进过程中,最终我们采取的措施也就是在开关电源的输入整流回路和输出整流回路这“两端”进行了处理(各加了一只共模电感,当然参数是不一样的)。改进后,主电路原理图如下所示,相对于图4,就是增加了滤波器2(不过滤波器1由原来的一级变为二级)。

图7 改进后的主电路原理框图
由于测量产品EMI时,都是在电源端子处进行的,由此导致我们会将焦点投放到电源输入端,抑制EMI的一些对策元件,也都是施加在电源输入端,以抑制骚扰信号沿电源线向外传播。事实上这也是我们最习惯,用得最多的方法。但如本例,
当碰到类似开关电源这种强的骚扰源时,我们不妨转换一下思路,不仅在骚扰源的输入端,而且在其输出端同时采取抑制措施,可能会收到很好的效果。
4 结论
事实上骚扰信号的传播耦合分三种类型,一种就是返回噪声,即是返回电网中去的噪声;另一种就是辐射噪声,高频噪声以电磁波的方式辐射出去;再一种就是输出噪声,就是耦合到后续回路的噪声,而这种噪声是经常被我们所忽略了的。从本例可以看出,这种噪声被耦合到后续回路后与后续回路共同作用,反而造成电源端子处的骚扰比开关电源自身产生的骚扰要大很多。而如此大的骚扰信号,如果仅在电源输入端施加抑制措施,可能需要高性能的二级甚至三级滤波器才能达到效果(本例二级滤波无效)。如果那样产品成本会增加很多,而如本例,经过分析和试验,找出骚扰产生的原由后,采用“夹逼”的方法,“分解”使用滤波器,限制骚扰信号的传播范围。不仅达到了良好的效果,产品成本也得到了有效控制,推广开来,只要是骚扰源,我们都可以采用“两端抑制”原则。采取适当的抑制措施,灵活使用滤波器件,一定会收到不错的效果。而且,相对于仅在骚扰源输入端加滤波器的方法,产品成本会降低不少。
EMC电磁兼容设计培训套装,视频教程,让您系统学习EMC知识...

