- 易迪拓培训,专注于微波、射频、天线设计工程师的培养
关于寄生参数对EMI滤波器高频输出特性影响的仿真
录入:edatop.com 点击:
摘 要:本文从插入损耗的定义出发,运用Saber 仿真软件分析了分立元件各寄生参数对插入损耗的影响;通过分析传
导干扰共模和差模的两种基本形式,建立了EMI 滤波器相应的等效电路模型;用Saber 仿真软件分析了两种模型下的寄生参数对EMI 滤波器插入损耗的影响;依据仿真得到的插入损耗随频率变化的曲线,得出寄生参数及其耦合关系对EMI 滤波器性能有重要影响的结论。
关键词:插入损耗,寄生参数,EMI 滤波器
1 引言
电磁兼容性(EMC)是指电子设备或系统在规定的电磁环境电平下不因电磁干扰而降低性能指标,同时它们本身产生的电磁干扰不影响其它电子设备或系统的正常运行,并达到设备与设备、系统与系统之间和谐共存、可靠工作的目的[1]。
电力电子领域开关频率持续提高,导致线路中的电压和电流变化率的不断增大,由此产生的电磁干扰会通过电力线以共模和差模的方式向电网以及电子设备传导,同时也会向周围空间辐射。开关器件和相关的电路产生的电磁噪声成为电力电子装置中的主要电磁干扰,并主要以传导和近场干扰源的形式出现[2]。
对电磁干扰的抑制通常有如下几种措施,电路的隔离、屏蔽、接地、加装EMI 滤波器以及PCB板的合理布局与布线等。其中,加装EMI 滤波器是众多措施中尤为突出的一项。然而,它通常是由于非理想的电感和电容构成,因此,在工作过程中受非理想元件的寄生参数的影响。
2 插入损耗与寄生参数
2.1 插入损耗
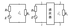
差入损耗是滤波器在进行EMI测试过程中的重要参数。其定义为:不加滤波器时,从噪声源传递到负载的噪声电压U1与接入滤波器时负载上的噪声电压U2之比[3]。如图1 所示。
插入损耗表示:
(1)

图1 等效电路图
其中,IL即插入损耗,单位dB;U1是不加滤波器时,负载上的干扰噪声电平;U2是接入滤波器后,同一负载上的干扰噪声电平。
2.2 寄生参数
无源器件在低频状态下,一般应用其理想模型,但是在高频状态下,考虑元器件自身的物理结构,通常利用计及寄生参数的高频模型。
2.2.1 电感器寄生参数
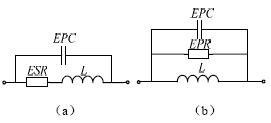
常见电感器的高频等效模型有两种,如图2 所示,一种为寄生电阻与理想电感串联然后与寄生电容并联,另一种为寄生电阻及寄生电容与理想电感三者的并联。

图2 电感器的高频等效模型电感器的导纳Y分别为:

2.2.2 电容器寄生参数
电容器高频等效电路,通常是寄生电阻和寄生电感与理想电容三者的串联,如图3 所示。

图3 电容器的高频等效模型
电容器的阻抗Z为:

在电容的高频等效模型下,寄生参数ESR和ESL对整个EMI 滤波器的插入损耗也有直接的影响。下面通过saber 软件仿真加以说明。
导干扰共模和差模的两种基本形式,建立了EMI 滤波器相应的等效电路模型;用Saber 仿真软件分析了两种模型下的寄生参数对EMI 滤波器插入损耗的影响;依据仿真得到的插入损耗随频率变化的曲线,得出寄生参数及其耦合关系对EMI 滤波器性能有重要影响的结论。
关键词:插入损耗,寄生参数,EMI 滤波器
1 引言
电磁兼容性(EMC)是指电子设备或系统在规定的电磁环境电平下不因电磁干扰而降低性能指标,同时它们本身产生的电磁干扰不影响其它电子设备或系统的正常运行,并达到设备与设备、系统与系统之间和谐共存、可靠工作的目的[1]。
电力电子领域开关频率持续提高,导致线路中的电压和电流变化率的不断增大,由此产生的电磁干扰会通过电力线以共模和差模的方式向电网以及电子设备传导,同时也会向周围空间辐射。开关器件和相关的电路产生的电磁噪声成为电力电子装置中的主要电磁干扰,并主要以传导和近场干扰源的形式出现[2]。
对电磁干扰的抑制通常有如下几种措施,电路的隔离、屏蔽、接地、加装EMI 滤波器以及PCB板的合理布局与布线等。其中,加装EMI 滤波器是众多措施中尤为突出的一项。然而,它通常是由于非理想的电感和电容构成,因此,在工作过程中受非理想元件的寄生参数的影响。
2 插入损耗与寄生参数
2.1 插入损耗
差入损耗是滤波器在进行EMI测试过程中的重要参数。其定义为:不加滤波器时,从噪声源传递到负载的噪声电压U1与接入滤波器时负载上的噪声电压U2之比[3]。如图1 所示。
插入损耗表示:

图1 等效电路图
其中,IL即插入损耗,单位dB;U1是不加滤波器时,负载上的干扰噪声电平;U2是接入滤波器后,同一负载上的干扰噪声电平。
2.2 寄生参数
无源器件在低频状态下,一般应用其理想模型,但是在高频状态下,考虑元器件自身的物理结构,通常利用计及寄生参数的高频模型。
2.2.1 电感器寄生参数
常见电感器的高频等效模型有两种,如图2 所示,一种为寄生电阻与理想电感串联然后与寄生电容并联,另一种为寄生电阻及寄生电容与理想电感三者的并联。

图2 电感器的高频等效模型电感器的导纳Y分别为:

2.2.2 电容器寄生参数
电容器高频等效电路,通常是寄生电阻和寄生电感与理想电容三者的串联,如图3 所示。

图3 电容器的高频等效模型
电容器的阻抗Z为:

在电容的高频等效模型下,寄生参数ESR和ESL对整个EMI 滤波器的插入损耗也有直接的影响。下面通过saber 软件仿真加以说明。
EMC电磁兼容设计培训套装,视频教程,让您系统学习EMC知识...

