- 易迪拓培训,专注于微波、射频、天线设计工程师的培养
开关电源EMI滤波器原理与设计研究
摘要:在开关电源中,EMI滤波器对共模和差模传导噪声的抑制起着显著的作用。在研究滤波器原理的基础上,探讨了一种对共模、差模信号进行独立分析,分别建模的方法,最后基于此提出了一种EMI滤波器的设计程序。
关键词:开关电源;EMI滤波器;共模;差模
0 引言
高频开关电源由于其在体积、重量、功率密度、效率等方面的诸多优点,已经被广泛地应用于工业、国防、家电产品等各个领域。在开关电源应用于交流电网的场合,整流电路往往导致输入电流的断续,这除了大大降低输入功率因数外,还增加了大量高次谐波。同时,开关电源中功率开关管的高速开关动作(从几十kHz到数MHz),形成了EMI(electromagnetic interference)骚扰源。从已发表的开关电源论文可知,在开关电源中主要存在的干扰形式是传导干扰和近场辐射干扰,传导干扰还会注入电网,干扰接入电网的其他设备。
减少传导干扰的方法有很多,诸如合理铺设地线,采取星型铺地,避免环形地线,尽可能减少公共阻抗;设计合理的缓冲电路;减少电路杂散电容等。除此之外,可以利用EMI滤波器衰减电网与开关电源对彼此的噪声干扰。
EMI骚扰通常难以精确描述,滤波器的设计通常是通过反复迭代,计算制作以求逐步逼近设计要求。本文从EMI滤波原理入手,分别通过对其共模和差模噪声模型的分析,给出实际工作中设计滤波器的方法,并分步骤给出设计实例。
1 EMI滤波器设计原理
在开关电源中,主要的EMI骚扰源是功率半导体器件开关动作产生的d v /d t 和d i /d t ,因而电磁发射EME(Electromagnetic Emission)通常是宽带的噪声信号,其频率范围从开关工作频率到几MHz。所以,传导型电磁环境(EME)的测量,正如很多国际和国家标准所规定,频率范围在0.15~30MHz。设计EMI滤波器,就是要对开关频率及其高次谐波的噪声给予足够的衰减。基于上述标准,通常情况下只要考虑将频率高于150kHz的EME衰减至合理范围内即可。
在数字信号处理领域普遍认同的低通滤波器概念同样适用于电力电子装置中。简言之,EMI滤波器设计可以理解为要满足以下要求:
1)规定要求的阻带频率和阻带衰减;(满足某一特定频率 f stop有需要 H stop的衰减);
2)对电网频率低衰减(满足规定的通带频率和通带低衰减);
3)低成本。
1.1 常用低通滤波器模型
EMI滤波器通常置于开关电源与电网相连的前端,是由串联电抗器和并联电容器组成的低通滤波器。如图1所示,噪声源等效阻抗为 Z source、电网等效阻抗为 Z sink。滤波器指标( f stop和 H stop)可以由一阶、二阶或三阶低通滤波器实现,滤波器传递函数的计算通常在高频下近似,也就是说对于 n 阶滤波器,忽略所有ω k 相关项(当 k < n ),只取含ω n 相关项。表1列出了几种常见的滤波器拓扑及其传递函数。特别要注意的是要考虑输入、输出阻抗不匹配给滤波特性带来的影响。
图1 滤波器设计等效电路
表1 几种滤波器模型及传递函数
1.2 EMI滤波器等效电路
传导型EMI噪声包含共模(CM)噪声和差模(DM)噪声两种。共模噪声存在于所有交流相线(L、N)和共模地(E)之间,其产生来源被认为是两电气回路之间绝缘泄漏电流以及电磁场耦合等;差模噪声存在于交流相线(L、N)之间,产生来源是脉动电流,开关器件的振铃电流以及二极管的反向恢复特性。这两种模式的传导噪声来源不同,传导途径也不同,因而共模滤波器和差模滤波器应当分别设计。
显然,针对两种不同模式的传导噪声,将其分离并分别测量出实际水平是十分必要的,这将有利于确定那种模式的噪声占主要部分,并相应地体现在对应的滤波器设计过程中,实现参数优化。在文献[6]和[7]中,提供了两种用于区分共模和差模噪声的噪声分离器,他们能有选择地对共模或差模噪声至少衰减50dB,因而可有效地测量出共模和差模成分。分离器的原理和使用超出了本文的讨论范围,详细内容可见参考文献[6]和[7]。
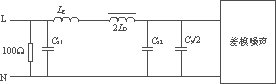
以一种常用的滤波器拓扑〔图2(a)〕为例,分别对共模、差模噪声滤波器等效电路进行分析。图2(b)及图2(c)分别代表滤波器共模衰减和差模衰减等效电路。分析电路可知, C x1和 C x2只用于抑制差模噪声,理想的共模扼流电感 L C只用于抑制共模噪声。但是,由于实际的 L C绕制的不对称,在两组 L C之间存在有漏感 L g也可用于抑制差模噪声。 C y即可抑制共模干扰、又可抑制差模噪声,只是由于差模抑制电容 C x2远大于 C y, C y对差模抑制可忽略不计。同样, L D既可抑制共模干扰、又可抑制差模干扰,但 L D远小于 L C,因而对共模噪声抑制作用也相对很小。
(a)常用的滤波器拓扑
(b)共模衰减等效电路
(c)差模衰减等效电路
图2 一种常用的滤波器拓扑
由表1和图2可以推出,对于共模等效电路,滤波器模型为一个二阶LC型低通滤波器,将等效共模电感记为 L CM,等效共模电容记为 C CM,则有
L
CM=
L
C+
L
D(1)
C CM=2 C y(2)
对于差模等效电路,滤波器模型为一个三阶 CLC 型低通滤波器,将等效差模电感记为 L DM,等效差模电容记为 C DM(令 C x1= C x2且认为 C y/2<< C x2),则有
L DM=2 L D+ L g(3)
C DM= C x1= C x2(4)
L C型滤波器截止频率计算公式为
f
R,CM=
(5)
将式(1)及式(2)代入式(5),则有
f
R,CM=
≈
(
L
C>>
L
D)(6)
CLC 型滤波器截止频率计算公式为
f
R,DM=
(7)
将式(3)及式(4)代入式(7),则有
f
R,DM=
(8)
在噪声源阻抗和电网阻抗均确定,且相互匹配的情况下,EMI滤波器对共模和差模噪声的抑制作用,如图3所示。
图3 滤波器差模与共模衰减
2 设计EMI滤波器的实际方法
2.1 设计中的几点考虑
EMI滤波器的效果不但依赖于其自身,还与噪声源阻抗及电网阻抗有关。电网阻抗 Z sink通常利用静态阻抗补偿网络(LISN)来校正,接在滤波器与电网之间,包括电感、电容和一个50Ω电阻,从而保证电网阻抗可由已知标准求出。而EMI源阻抗则取决于不同的变换器拓扑形式。
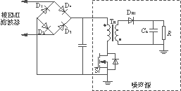
以典型的反激式开关电源为例,如图4(a)所示,其全桥整流电路电流为断续状态,电流电压波形如图5所示。对于共模噪声,图4(b)所示 Z source可以看作一个电流源 I S和一个高阻抗 Z P并联;图4(c)中对于差模噪声,取决于整流桥二极管通断情况, Z source有两种状态:当其中任意两只二极管导通时, Z source等效为一个电压源 V S与一个低值阻抗 Z S串连;当二极管全部截止时,等效为一个电流源 I S和一个高阻抗 Z P并联。因而噪声源差模等效阻抗 Z source以2倍工频频率在上述两种状态切换[2]。
(a)典型反激式开关电源
(b)共模噪声源等效电路(c)差模噪声源等效电路
图4 典型反激式开关电源及其噪声源等效电路
图5 电源输入端电压、电流波形
在前述设计过程中,EMI滤波器元件(电感、电容)均被看作是理想的。然而由于实际元件存在寄生参数,比如电容的寄生电感,电感间的寄生电容,以及PCB板布线存在的寄生参数,实际的高频特性往往与理想元件仿真有较大的差异。这涉及到EMC高频建模等诸多问题,模型的参数往往较难确定,所以,本文仅考虑EMI滤波器的低频抑制特性,而高频建模可参看文献[8]等。故 Z S及 Z P取值与这些寄生电容、电感以及整流桥等效电容等寄生参数有关,直接采用根据电路拓扑及参数建模的方案求解源阻抗难以实现,因而,在设计中往往采用实际测量 Z source。
2.2 实际设计步骤
EMI滤波器设计往往要求在实现抑制噪声的同时,自身体积要尽可能小,成本要尽可能低廉。同时,滤波效果也取决于实际的噪声水平的高低,分析共模和差模噪声的干扰权重,为此,在设计前要求确定以下参量,以实现设计的优化。
1)测量干扰源等效阻抗 Z source和电网等效阻抗。实际过程中往往是依靠理论和经验的指导,先作出电源的PCB板,这是因为共模、差模的噪声源和干扰途径互不相同,电路板走线的微小差异都可能导致很大EME变化。
2)测量出未加滤波器前的干扰噪声频谱,并利用噪声分离器将共模噪声 V MEASUREE,CM和差模噪声 V measure,CM分离,做出相应的干扰频谱。
接着就可以进行实际的设计了,仍以本文中提出的滤波器模型为例,步骤如下。
(1)依照式(9)计算滤波器所需要的共模、差模衰减,并做出曲线 V measure,CM- f 和 V measure,DM- f ,其中 V measure,CM和 V measure,DM已经测得, V standard,CM和 V standard,DM可参照传导EMI干扰国标设定。加上3dB的原因在于用噪音分离器的测量值比实际值要大3dB。
( V req,CM)dB=( V measure,CM)-( V standard,CM)+3dB
( V req,DM)dB=( V measure,DM)-( V standard,DM)+3dB(9)
(2)由图3可知,斜率分别为40dB/dec和60dB/dec的两条斜线与频率轴的交点即为 f R,CM和 f R,DM。作 V measure,CM- f 和 V measure,DM- f 的切线,切线斜率分别为40dB/dec和60dB/dec,比较可知,只要测量他们与频率轴的交点,即可得出 f R,CM和 f R,DM,图6所示为其示意图。
(a)实线为共模目标衰减;虚线为斜率为40dB/dec切线
(b)实线为差模目标衰减;虚线为斜率为60dB/dec切线
图6 f R,DM与 f R,CM的确定
(3)滤波器元件参数设计
——共模参数的选取 C y接在相线和大地之间,该电容器容量过大将会造成漏电流过大,安全性降低。对漏电流要求越小越好,安全标准通常为几百μA到几mA。
EMI对地漏电流 I y计算公式为
I y=2π fCV c(10)
式中: f 为电网频率。
在本例中, V c是电容 C y上的压降, f =50Hz, C =2 C y, V c=220/2=110V,则
C
y=
(11)
若设定对地漏电流为0.15mA,可求得 C y≈2200pF。将 C y代入步骤(2)中求得 f R,CM值,再将 f R,CM代入式(6)中可得
L
c=
(12)
——差模参数选取 由式(8)可知, C x1, C x2,以及 L D的选取没有唯一解,允许设计者有一定的自由度。
由图2可知,共模电感 L c的漏感 L g也可抑制差模噪声,有时为了简化滤波器,也可以省去 L D。经验表明,漏感 L g量值多为 L c量值的0.5%~2%。 L g可实测获得。此时,相应地 C x1、 C cx2值要更大。
3 结语
本文的论述是基于低通滤波器的低频模型分析。由于实际元件寄生参数的影响,尤其在高频段更加显著,因而往往需要在第一次确定参数之后反复修正参数,以及使用低 ESR 和 ESL 的电容,优化绕制磁芯的材料和工艺,逐步逼近要求的技术指标。
由于只涉及到单级滤波器的设计,如 LC 型滤波器衰减程度只有40dB/dec,当要求衰减程度在60~80dB以上的指标时,往往需要使用多级滤波器。
通用型的EMI滤波器通常很难设计,这是由于不同的功率变换器之间,由于拓扑、选用元件、PCB布版等原因,电磁环境水平相差很大,再加上阻抗匹配的问题,在很大程度上影响了滤波器的通用性,所以,滤波器的设计往往需要有针对性,并在实际调试中逐步修正。
EMC电磁兼容设计培训套装,视频教程,让您系统学习EMC知识...
射频工程师养成培训教程套装,助您快速成为一名优秀射频工程师...
上一篇:USB2.0噪讯对策技术
下一篇:抑制RF噪声和EMI的方法
记

