- 易迪拓培训,专注于微波、射频、天线设计工程师的培养
第四讲:脉冲群实验的三大本质解析
脉冲群试验是一种使用比较普遍的抗干扰试验项目(在产品的抗扰度试验中,别的试验项目有时会不做,但脉冲群试验是基本上都要做的),同时也是在所有抗干扰试验项目中属于比较难做(经常有人反映这项试验的重复性和可比性比较差),和比较难于通过的一个试验项目(在所有抗干扰试验项目中脉冲群试验是属于通过率较低的项目)。
特别提醒:马永健老师EMC培训课程的举办地点在深圳科技园,每讲具体举办时间视报名情况而定,每讲听课费为600元RMB,以实际举办时间为基准,提前一个月报名者可获得5折优惠,提前半月报名可获得7折优惠。报名费含一顿午餐。联系人:陈路,内容开发总监,报名邮箱:jakechen@eecnt.com,谢谢关注和支持。
1 脉冲群试验的性质
1.1 脉冲群试验的本质之一是高频共模试验脉冲群试验所采用的高频脉冲的耦合方法(电源线上的耦合/去耦网络,以及信号线上的电容耦合夹)提供了在不对称条件下把试验电压施加到受试设备的电源端口和信号端口的能力。这里所谓不对称干扰是指线(电源线以及信号线)与大地之间的干扰。

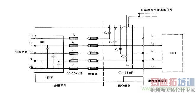
作为佐证,我们利用电源线耦合/去耦网络来加以说明:在图中可以看到从试验发生器来的信号电缆芯线通过可供选择的耦合电容加到相应的电源线(L1、L2、L3、N及PE)上,信号电缆的屏蔽层则和耦合/去耦网络的机壳相连,机壳则接到参考接地端子上。这就表明脉冲群干扰实际上是加在电源线与参考地之间,因此加在电源线上的干扰是共模干扰。

明确脉冲群干扰的性质非常重要:首先,这与试验方法有关。既然是共模干扰,就一定要与参考接地板关联在一起,没有参考接地板的试验,干扰是加不到试品中去的。与此同时,所采用的参考接地板要足够大,否则就不能保证试验结果的正确性。其次,既然明确了脉冲群抗干扰试验是抗共模干扰试验,这就决定了试验人员在处理干扰(提高受试设备的抗干扰能力)时,必须采用针对共模干扰的有效措施。
[p]需要阅读更多的内容,请先登录查看
EMC电磁兼容设计培训套装,视频教程,让您系统学习EMC知识...
射频工程师养成培训教程套装,助您快速成为一名优秀射频工程师...
上一篇:三种应用于液晶显示器的电磁干扰滤波器
下一篇:如何解决高频状态下的电磁兼容问题?

