- 易迪拓培训,专注于微波、射频、天线设计工程师的培养
陶显芳老师谈电磁干扰与电磁兼容(五)
录入:edatop.com 点击:
中心议题:
电磁干扰EMI与电磁兼容EMC
电磁干扰(Electromagnetic Interference),简称EMI,有传导干扰和辐射干扰两种。传导干扰主要是电子设备产生的干扰信号通过导电介质或公共电源线互相产生干扰;辐射干扰是指电子设备产生的干扰信号通过空间耦合把干扰信号传给另一个电网络或电子设备。为了防止一些电子产品产生的电磁干扰影响或破坏其它电子设备的正常工作,各国政府或一些国际组织都相继提出或制定了一些对电子产品产生电磁干扰有关规章或标准,符合这些规章或标准的产品就可称为具有电磁兼容性EMC(Electromagnetic Compatibility)。电磁兼容性EMC标准不是恒定不变的,而是天天都在改变,这也是各国政府或经济组织,保护自己利益经常采取的手段。
传导干扰
传导干扰一般是通过电压或电流的形式在电路中进行传播的,图6是测试电子设备产生传导干扰的基本方法,或表示传导干扰通过电源线传输的几种方式。图6中,电子设备表示干扰信号源,CI表示共模干扰信号,DI表示差模干扰信号;V1、V2、V3分别表示用仪表对干扰信号进行测量的连接方法,低通滤波器是为了便于对V1、V2、V3进行测试,而另外加接进去的;R1、R2、R3、R4分别为各电子设备的接地电阻,也包括大地之间的电阻,接地电阻一般为几欧姆到几十欧姆,其阻值与地线的安装和地表面土壤结构有关;C1为电子设备对大地的电容,其容量与电子设备的体积还有地面距离有关,一般为几微微法到几千微微法。从图6中我们可以看出:
V1 = CI − DI (17)
V2 = CI + DI (18)
V3 = DI (19)

从图6中我们还可以看出,差模干扰信号DI是通过电子设备两根电源输送线传输的,因此,必须用低通滤波器对它进行隔离;而共模干扰信号CI是通过电子设备对大地的电容C1传输的,由于C1的容量一般都非常小,C1对低频共模干扰信号的阻抗很大,因此,在低频段,共模干扰信号一般很容易进行抑制,但在的高频段,对共模干扰信号进行抑制,难度却要比差模干扰信号抑制的难度大很多。
a.回路电流产生传导干扰
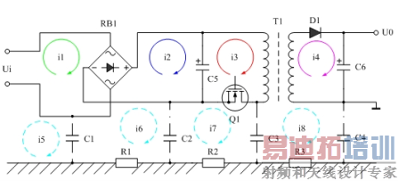
图7是一个开关电源电路的几个主要部分,图中,C1、C2、C3、C4是各主要部分的对地电容或对机壳的电容,R1、R2、R3是地电阻或机壳的电阻(机壳接地);i1、i2、i3、i4是开关电源电路中几个主要部分的回路电流,i1是交流输入回路电流,i2是整流回路电流,i3是开关回路电流,i4是输出整流回路电流。在这4个电流之中,i3的作用是最主要的,因为它受开关管Q1控制,其它电流全部都受它牵动而发生变化。

从电路中我们可以看出,i1、i2、i3所属的3个回路都是相互连接的,根据回路电流定律,i1、i2、i3之间具有代数和的关系,因此,只要3个电流中有一个电流的高频谐波对其它电路产生干扰,那么,3个电流都会对其它电路产生干扰,并且这种干扰主要是差模信号干扰。
i4与变压器初级的3个回路电流没有直接关系,它是通过磁感应产生的,因此它不会产生差模信号干扰,但它会产生共模信号干扰,i4产生共模信号干扰的主要回路一个是通过对地电容C4,另一个是变压器T1初、次级之间的电容(图中没有画出)。
另外,还有4个回路电流i5、i6、i7、i8,这四个回路电流一般人是不会太注意的。这四个电流与前面的3个电流i1、i2、i3基本没有直接联系,它们都是通过电磁感应(电场与磁场感应)产生的。在这几个电流中,其中以i7最严重,因为,变压器初级线圈产生的反电动势一端正好通过C3与大地相连,另一端经过其它3个回路与交流输入回路相连。
这里特别指出,凡是经过电容与大地相连回路的电流都是属于共模信号干扰电流,因此,i5、i6、i7、i8全部都属于共模信号干扰电流。
- 电磁干扰和电磁兼容的定义
- 传导干扰的定义
- 回路电流产生传导干扰的机理和抑制方法
电磁干扰EMI与电磁兼容EMC
电磁干扰(Electromagnetic Interference),简称EMI,有传导干扰和辐射干扰两种。传导干扰主要是电子设备产生的干扰信号通过导电介质或公共电源线互相产生干扰;辐射干扰是指电子设备产生的干扰信号通过空间耦合把干扰信号传给另一个电网络或电子设备。为了防止一些电子产品产生的电磁干扰影响或破坏其它电子设备的正常工作,各国政府或一些国际组织都相继提出或制定了一些对电子产品产生电磁干扰有关规章或标准,符合这些规章或标准的产品就可称为具有电磁兼容性EMC(Electromagnetic Compatibility)。电磁兼容性EMC标准不是恒定不变的,而是天天都在改变,这也是各国政府或经济组织,保护自己利益经常采取的手段。
传导干扰
传导干扰一般是通过电压或电流的形式在电路中进行传播的,图6是测试电子设备产生传导干扰的基本方法,或表示传导干扰通过电源线传输的几种方式。图6中,电子设备表示干扰信号源,CI表示共模干扰信号,DI表示差模干扰信号;V1、V2、V3分别表示用仪表对干扰信号进行测量的连接方法,低通滤波器是为了便于对V1、V2、V3进行测试,而另外加接进去的;R1、R2、R3、R4分别为各电子设备的接地电阻,也包括大地之间的电阻,接地电阻一般为几欧姆到几十欧姆,其阻值与地线的安装和地表面土壤结构有关;C1为电子设备对大地的电容,其容量与电子设备的体积还有地面距离有关,一般为几微微法到几千微微法。从图6中我们可以看出:
V1 = CI − DI (17)
V2 = CI + DI (18)
V3 = DI (19)

从图6中我们还可以看出,差模干扰信号DI是通过电子设备两根电源输送线传输的,因此,必须用低通滤波器对它进行隔离;而共模干扰信号CI是通过电子设备对大地的电容C1传输的,由于C1的容量一般都非常小,C1对低频共模干扰信号的阻抗很大,因此,在低频段,共模干扰信号一般很容易进行抑制,但在的高频段,对共模干扰信号进行抑制,难度却要比差模干扰信号抑制的难度大很多。
a.回路电流产生传导干扰
图7是一个开关电源电路的几个主要部分,图中,C1、C2、C3、C4是各主要部分的对地电容或对机壳的电容,R1、R2、R3是地电阻或机壳的电阻(机壳接地);i1、i2、i3、i4是开关电源电路中几个主要部分的回路电流,i1是交流输入回路电流,i2是整流回路电流,i3是开关回路电流,i4是输出整流回路电流。在这4个电流之中,i3的作用是最主要的,因为它受开关管Q1控制,其它电流全部都受它牵动而发生变化。

从电路中我们可以看出,i1、i2、i3所属的3个回路都是相互连接的,根据回路电流定律,i1、i2、i3之间具有代数和的关系,因此,只要3个电流中有一个电流的高频谐波对其它电路产生干扰,那么,3个电流都会对其它电路产生干扰,并且这种干扰主要是差模信号干扰。
i4与变压器初级的3个回路电流没有直接关系,它是通过磁感应产生的,因此它不会产生差模信号干扰,但它会产生共模信号干扰,i4产生共模信号干扰的主要回路一个是通过对地电容C4,另一个是变压器T1初、次级之间的电容(图中没有画出)。
另外,还有4个回路电流i5、i6、i7、i8,这四个回路电流一般人是不会太注意的。这四个电流与前面的3个电流i1、i2、i3基本没有直接联系,它们都是通过电磁感应(电场与磁场感应)产生的。在这几个电流中,其中以i7最严重,因为,变压器初级线圈产生的反电动势一端正好通过C3与大地相连,另一端经过其它3个回路与交流输入回路相连。
这里特别指出,凡是经过电容与大地相连回路的电流都是属于共模信号干扰电流,因此,i5、i6、i7、i8全部都属于共模信号干扰电流。
EMC电磁兼容设计培训套装,视频教程,让您系统学习EMC知识...

