- 易迪拓培训,专注于微波、射频、天线设计工程师的培养
低压电器电磁兼容讲座之三 低压电器电磁兼容试验及标准(二)
摘要:介绍与低压电器产品有关的电磁兼容试验项目如电快速瞬变脉冲群抗扰度试验、静电放电抗扰度和雷击浪涌抗扰度试验及标准。
关键词:低压电器标准 电磁兼容试验 电快速瞬变脉冲群抗扰度 静电放电抗扰度 雷击浪涌抗扰度
本讲座是第二讲5低压电器电磁兼容试验及标准(一)6的继续。主要介绍电快速瞬变脉冲群抗扰度、静电放电抗扰度和雷击浪涌抗扰度试验项目。
4 电快速瞬变脉冲群抗扰度试验
由于在同一供电回路中其他用电器(或设备)在工作过程中(如开关、继电器等在使用时)产生的瞬态脉冲,这种骚扰以脉冲群形式出现,如果电感性负载多次重复切换,则脉冲群会以相应的时间间隔多次重复出现,且有脉冲上升时间短、重复率高和能量低、频谱分布较宽等特点。出现对用电器产生干扰的情况,可能导致用电器的性能下降或失灵的现象。为评定产品对这类电快速瞬变脉冲群抗扰度的水平,进行电快速瞬变脉冲群抗扰度试验。
试验依据:GB/G17626.4-19985电磁兼容试验和测量技术电快速瞬变脉冲群抗扰度6(eqvIEC61000-4-4:1995)5电磁兼容第4部分:试验和测量技术第4分部份:电快速瞬变脉冲群抗扰度试验6。
4.1 试验等级
试验等级见表6。
注:试验等级的选择见GB/T17626.4-1998附录AX是一个开放等级,在专用设备技术规范中必须对这个级别作出规定
性能判别主要在产品标准中规定。
4.2 试验设备
(1)电快速瞬变脉冲群发生器特性参数(接508负载)见图6。¹极性:正、负极性;º单个脉冲的上升时间(5 30%)ns;»脉冲持续时间(半峰值)为(50 30%)ns;¼与电源电压同步;½脉冲群持续时间(15 20%)ms;¾脉冲群周期(300 20%)ms 脉冲重复频率:开路输出电压为0.25,5,1,2kV时为(50 20%)kHz,开路输出电压为4kV时为(2.5 20%)kHz;À开路输出电压范围:(0.25-10%)kV~(4+10%)kV。
图6 电快速瞬变脉冲群示意图
(2)耦合装置。GB/T17626.4提供两种耦合装置:耦合/去耦合网络和容性耦合夹。耦合/去耦合网络主要用于电源端口试验,它一般装于群脉冲发生器内,容性耦合夹主要用于I/O端口和通信端口试验。
(3)试验配置。电快速瞬变脉冲群试验有在实验室进行型式试验和在设备安装条件下的现场试验两种。必要的设备包括:接地参考平台,耦合装置(耦合网络和耦合夹)去耦网络,试验发生器。
(4)在实验室进行型式试验的标准环境条件:
1)接地平面最小尺寸为1m@1m,其各边至少应比被试品大0.1m,接地参考平面同保护地相连;
接地参考平面厚度不小于0.25mm的铜板和铝板,如果用其他金属材料厚度不小于0.65mm;
2)落地式设备与接地参考平面的绝缘支座的厚度为0.1m,台式设备放在接地参考平面上方0.8m处,除此以外,两种设备的试验配置相同;
3)被试品按正常要求放置和连接。除参考平面外,被试品于其他任何导电结构之间最小距离应大于0.5m;
4)使用耦合夹耦合时,除了接地参考平面之外,耦合板与其他所有导电件之间最小距离为0.5m;
5)被试品严格按照产品技术要求规范接地,不多加接地;
用耦合装置来施加试验电压。试验电压应耦合到被试品和去耦网络之间的线路上或与试验有关的两个设备之间的线路上;
耦合装置和被试品之间的信号线和电源线的长度应不大于1m。如果制造商提供的与被试品不可拆卸的电源电缆长度超过1m,那么超出的部分用0.1m与接地平面隔开并以0.4m的直线盘绕起来。被试品与耦合装置之间的距离应不大于1m。
对于设备的供电电源端口,一般采用耦合/去耦网络来施加试验电压。对于接地的机柜,机柜上测试点应为保护接地导体的终端,试验电压直接耦合到交/直流电源端口的试验配置见图7。
图7 试验电压直接耦合到交/直流电源端口的试验配置实例
如果线路中的电源超过耦合/去耦网络规定的电流容量。这时采用安装后的实验方法,通过一个33nF的耦合电容,将试验电压施加到设备电源端口上。对于I/O端口和通信端口通过容性耦合夹来施加试验电压。
4.3 试验步骤
试验应根据试验计划进行,通常试验计划应包括:(1)试验的类型;(2)试验等级;(3)试验电压极性;(4)发生器内部激励或外部激励;(5)试验持续时间,每种状态试验持续时间不小于1min;(6)施加试验电压次数;(7)待试验的被试品端口;(8)被试品的典型工作条件等。
4.4 试验举例
某厂的万能式断路器,试验依据IEC60947-2:19955低压开关设备和控制设备 断路器6(等同采用的国家标准GB14048.2-200X正在报批),
试品规格:380/660V、2000A、4P;试验项目:电快速瞬变脉冲群抗扰度试验;试验要求:等级4,共模抗扰度。¹瞬变脉冲施加于主电路按IEC60947-2:1995中图F.3接线布置,试验依次在每极上进行;º瞬变施加到信号和控制电路的输入、输出端之间,按IEC60947-2:1995中图F.5接线布置,试验依次在每极上进行。试验时I=0.9In,t1=270s,持续时间3~4t1不脱扣,I=2In,时间135~270s,脱扣。Ir2、Ir3整定在最小整定值的2.5倍。试验结果,当试品I=0.9In,脉冲群正极性幅值4kV,施加到试品L1极时,立即误脱扣,不合格。后经整改后产品合格。
对一些低压开关电器制造商送试的低压断路器、漏电断路器等在用上述电快速瞬变脉冲群按产品标准施加干扰时,不少产品试验通不过,后经多次整改才通过。
5 静电放电抗扰度试验
由于人体或其他物体接近或接触电器设备表面而发生的静电高压放电,产生了大电流、强磁场,由此引起了对电器设备功能的影响甚至使电器设备失灵。静电放电可能对工作中的设备或系统造成干扰、严重时甚至会损坏设备。为评定产品对静电放电抗扰度的水平,需进行静电放电抗扰度试验。
静电放电抗扰度试验是模拟操作人员或物体在接触设备时的放电及人或物体对邻近物体的放电,考核被试设备抗静电放电干扰的能力。这里前者是通过导体直接耦合,是直接放电影响;后者则是通过空间辐射耦合,是间接放电影响。在试验中,直接放电用放电枪电极直接对准被试物体的试验点实施放电;而间接放电则是用放电枪电极对被试物体附近的耦合板(垂直的、水平的)实施放电。
试验依据:GB/T17626.2-19985电磁兼容试验和测量方法 第2部分:静电放电抗扰度试验6(eqv.IEC61000-4-2:1995)5电磁兼容 第4部分:试验和测量技术 第2分部分:静电放电抗扰度试验6。
5.1 试验等级
试验等级见表7。
注:试验等级的选择以产品标准规定。
X是开放等级,该等级必须在专用设备的规范中加以规定,如果规定了高于表格中电压,则可能需要专用的试验设备 静电放电试验中,接触放电是首选的试验方法,对被试品的金属导电表面和耦合平面采用接触放电试验,对被试品的绝缘表面,如安装的螺钉的金属部分可见却不可及,键盘的金属导电部分在绝缘层的覆盖下,被试品机壳的缝要用空气放电等。生产厂未说明漆膜的绝缘层的静电放电的电极应穿透漆膜实施接触放电。如生产厂说明漆膜是绝缘层的则只进行空气放电。以上为一般原则指导,具体依产品技术条件而定。性能判别标准主要在产品标准中规定。
5.2 试验设备及配置
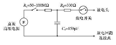
(1)静电放电发生器
静电放电发生器的主要部分包括:¹充电电阻Rc;º储能电容器Cs,150pF电容器模拟人体电容,3308的放电电阻模拟人体电阻对于再现人体放电;»分布电容Cd;¼电压指示器;½放电开关;¾可更换的放电电极头;¿放电回路电缆,一般长为2m,它的结构应符合发生器的波形要求,并且有足够的绝缘强度防止静电放电时放电电流不通过端扣而流向人员或导电表面。对于大型的较高的被试品,若2m长的放电回路不够长,可用不超过3m电缆,且必须检验使放电电流波形符合技术规范。静电放电发生器简图见图8,其输出的电流波形见图9。静电放电波形参数见表8。
(2)实验室试验配置
静电放电试验分在实验室进行型式试验和现场进行的设备安装后试验。优先采用实验室进行试验。
图8 静电放电发生器简图
图9 静电放电发生器输出的电流波形
1) 地面放置一块最小1m@1m、厚度 .25mm的铜板或铝板,如果用其他金属材料厚度 .65mm,接地平面的每边至少伸出被试品0.5m并且接安全接地系统。
2) 被试品与实验室墙壁和其他金属结构之间距离至少1m。
3) 被试品按制造厂家安装说明书布置,被试品接地按设备技术条件接地,不允许附加接地。
4) 电源与信号电缆的布置要反映实际安装条件,与接地参考平面的连接的接地线和所有节点均为低阻抗。
5) 间接放电的耦合板与接地参考平面用相同金属材料和厚度,每块耦合板两端各设置470k8电阻的电缆与接地参考平面相连。
(3)安装后试验布置
安装后试验即为现场试验,这种试验是供选择而非强制性的鉴定试验,只是在制造商和用户双方一致同意下进行。
接地参考平面材料和厚度与实验室布置的接地参考平面相同,长约为2m,宽0.3m,铺设在地面上,并保持与被试品0.1m的间距。接地参考平面与安全系统相连接。
5.3 试验步骤
(1)试验环境条件。气候环境条件,环境温度:15~35bC;相对湿度:30%~60%;大气压力:86~106kPa。电磁环境条件,实验室的电磁环境下不应影响试验结果。
(2)试验的实施
试验应按计划进行,对被试品采用直接和间接放电方式进行。包括:被试品典型工作条件;被试品放置在桌面上或地面上进行试验;确定施加放电点;在每个点,是采取空气放还是接触放电;所采用试验等级以及在每个放电点上的放电次数。为了制定试验计划,可能需仔细察看被试品,技术条件,使用说明书。
1)直接放电。这种放电仅适用于使用人员可能接触的点和表面以及允许用户维修的点和面,试验应从最小值升至选定的试验值,最后试验值不应超过产品规范值。
试验应以单次方式,在预选点上至少施加10次单次放电并以最敏感的极性施加,两次单次放电间隔至少1s。先以20(次#s-1)的速率试探试验点和敏感极性。一般可考虑的试验点为:操作人员可能触及的金属点、开关、按键、按钮以及其他操作人员易接近的区域,指示器,发光二极管(LED),缝隙,栅格,连接罩,更换电池的电池夹,IC卡的插缝。
静电放电发生器的放电电极应保持与被试品表面垂直。空气放电时,放电头应尽可能接近并触及被试品。每次放电后,放电电极从被试品移开,然后重新触发静电放电发生器,进行新一次单次放电。
2)间接放电。使用静电放电发生器对耦合板进行接触放电以模拟被试品受附近物体放电的影响。
3)台式设备试验布置。接地参考平面上放一个木桌子,桌子高0.8m,桌面上放置面积1.6m@1.6m的水平耦合板并用一个厚为0.5mm的绝缘衬垫将被试品和电缆与耦合板隔开。
4)落地式设备实验室布置。受试设备与电源应采用厚为0.1m的绝缘体与接地参考平面隔开。所有受试设备的安装脚保持原位。
5)水平耦合试验。将放电电极放在离被试品前后左右0.1m处,放电枪垂直于水平耦合板的表面,放电电极对耦合板进行接触放电,放电应在受试设备四周最敏感的点和极性及进行至少10次的单次放电。
6)垂直耦合试验。将尺寸为0.5m@0.5m的耦合板平行与受试装置前后左右保持0.1m的地方,放电电极触及耦合板一个垂直边的中心以最敏感的极性进行至少10次单次接触放电。
5.4 试验举例
某厂送试塑料外壳式断路器,试验依据IEC60947-2:19955低压开关设备和控制设备 断路器6(等同采用的国家标准GB14048.2-200X正在报批),试品规格:400V、400A、3P;试验项目:静电放电抗扰度试验;试验要求:等级4、8kV。在操作者易接近的部件上进行试验,对一点放电10次,间隔1s。
试验时,I=0.9In,t1=100s,持续时间(3~4)t1,CBR应不脱扣;I=2In,时间6~150s,CBR应脱扣。试验IEC60947-2:1995中图F.1(验证低频,静电和电磁场骚扰影响的试验电路)、IEC60947-2:1995中图F.7(验证传导瞬变和静电骚扰的试验装置)。
试验结果:当试品I=0.9In时,试品不脱扣;I=2In,二相通电流800A时,接触放电对垂直耦合板放电,试品时间大于189s仍不能脱扣,不合格。经整改后产品合格。
6 浪涌(冲击)抗扰度试验
浪涌(Surge)抗扰度主要分为浪涌电压抗扰度试验和浪涌电流抗扰度试验。浪涌抗扰度是模拟雷击带来的严重干扰。在工业过程测量和控制装置的浪涌抗扰度试验是模拟设备在不同环境和安装条件下可能受到的雷击或开关切换过程中所产生的浪涌电压与电流。这为评定设备的电源线,输入/输出线以及通信线的抗扰度依据。
雷击瞬变是模拟间接雷击(设备通常不会经受直接雷击),如:¹雷电击中外部线路,有大量的电流流入外部或接地电阻,因而产生干扰电压;º间接雷击(如云层间或云层内的雷击)在外部线路或内部线路上感应电压或电流;»雷电击中线路邻近的物体,在其周围建立电磁场,使外部线路感应出电压;¼雷电击中附近地面,地电流通过公共的接地系统时引起干扰。
切换瞬变模拟:¹主电源系统切换(如电容器组切换)时的干扰;º同一电网,在靠近设备附近有一些较小开关跳动时形成的干扰;»切换伴有谐振线路的可控硅设备;¼各种系统的故障,如接地短路。
试验依据:GB17626.5-19995电磁兼容试验和测量方法 第5部分:浪涌(冲击)抗扰度试验6(eqv.IEC61000-4-5:1995)5电磁兼容 第4部分:试验和测量技术 第5分部分:浪涌(冲击)抗扰度试验6。
6.1 试验等级
试验等级见表9。
注:(1)在GB/T14048.1-2000中推荐使用表10。(2)试验等级与设备使用时的安装条件有关,所以应根据产品的使用情况来确定。(3)X为开放等级,可在产品要求中规定
性能判别标准主要在产品标准中规定。
作者简介:费光裕 王 渊 徐强华 上海电器科学研究所
EMC电磁兼容设计培训套装,视频教程,让您系统学习EMC知识...

