- 易迪拓培训,专注于微波、射频、天线设计工程师的培养
零电流零电压开关交错并联双管正激变换器的研究
1 引言
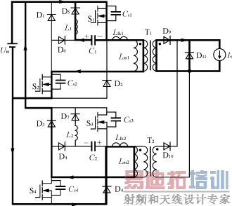
双管正激变换器具有开关管电压应力低,不存在桥臂直通危险,可靠性高的优点。但是,它的一个突出缺点是工作占空比要小于0.5,导致整流输出的电压和电流脉动较大,使得滤波器的体积较大。为了克服这一缺点,可以采用交错并联结构,对于输出端,有两种并联方式:一是在输出滤波电容侧并联,二是在续流二极管侧并联。后者要优于前者,因为,在输出电流脉动相同时,在续流二极管侧并联的滤波电感量是在输出滤波电容侧并联的滤波电感量的1/2。本文研究的电路拓扑如图1所示。采用交错控制可以提高等效输出占空比,提高变换器的等效频率,减小输出电流脉动,进而减小滤波器的体积[1]。
图1 交错并联双管正激变换器原理图
为了抑制开关管上在关断时由于变压器漏感所产生的电压尖峰,所以,在图1的电路拓扑中采用了LCD无损吸收网络[2]。
2 工作过程分析
两个变换器的变压器的两个副边交错并联后,在输出滤波电容处再串联。为了简化分析,在图2开关模态等效电路中只画了每个变压器的一个副边。并假设所有开关和二极管均为理想器件,考虑变压器输出端的续流二极管和整流二极管的换流过程,MOSFET的漏源之间的结电容大小均为 C s; C 1= C 2, L 1= L 2;变压器变比 n = N 1/ N 2,两变压器的漏感大小均为 L lk;滤波电感足够大,这样滤波电感和滤波电容及负载电阻可以看成一个电流为 I o的恒流源。
(a)模态1
(b)模态2
(c)模态3
(d)模态4
(e)模态5
(f)模态6 [p]
(g)模态7
图2 各开关模态的等效电路
在前半个开关周期中,该电路拓扑有7个开关模态,对应等效电路如图2所示。而后半个开关周期,与之相似。主要波形图见图3。
图3 主要波形图
2.1 开关模态1[ t 0- t 1]
在 t 0时刻前,S1上的电压为 u ds1,S2上的电压为 u ds2,且 u ds1> u ds2,其大小后面将会解释,变压器T2通过D3,D4磁复位。 t 0时刻,S1和S2同时开通。由于变压器有一定的漏感,使得变压器T1原边电流由零逐渐增大到2 I o/ n ,且 I o从D11中换流到D9中。这时, C 1上的初始电压为- U c,且 U c< U in,同时 L 1, C 1和D5通过S1谐振。此开关模态直到变压器T1原边电流达到2 I o/ n 时结束,持续时间为
t
1-
t
0=
(1)
2.2 开关模态2[ t 1- t 2]
变压器T2继续磁复位。 L 1, C 1和D5通过S1继续谐振,直到电容 C 1上的电压由- U c变为+ U c,此开关模态结束。
2.3 开关模态3[ t 2- t 3]
S1,S2继续开通。变压器T2继续磁复位,直到 iL m2=0时,此开关模态结束。
2.4 开关模态4[ t 3- t 4]
S1,S2继续开通。 L 2相对 L m2很小,在此可忽略。变压器T2原边励磁电感 L m2,漏感 L lk2,S3与S4的结电容 C s3, C s4和 C 2及D7经 U in谐振。从电路结构上可以看出, C 2和S3的结电容 C s3相当于并联,且 C 2比结电容 C s3大很多,所以S3上的电压下降速度要比S4的慢很多。
2.5 开关模态5[ t 4- t 5]
t 4时刻,S1,S2在零电压下关断。D6开通,折算到原边的负载电流2 I o/ n 和励磁电流 i m1给S1,S2的结电容 C s1, C s2充电,同时, C 1被放电。变压器T2原边励磁电感 L m2,漏感 L lk2,S3与S4的结电容 C s3, C s4和 C 2及D7经 U in继续谐振。此开关模态在 u c1=0, u ds1= u ds2= U in/2时结束,持续时间为:
t
5-
t
4=
(2)
2.6 开关模态6[ t 5- t 6]
S1,S2的结电容 C s1, C s2继续被充电, C 1继续放电,使得变压器T1原边承受反压,D9关断,D11续流,则变压器T1原边中只有励磁电流 i m1。变压器T2原边励磁电感 L m2,漏感 L lk2,S3与S4的结电容 C s3, C s4和 C 2及D7经 U in继续谐振,T2同名端电压为正时,D9和D11同时开通,T2的励磁电流 iL m2流经D9,把变压器T2副边箝位在零,使得 u ds4< U c= u ds3< U in,并保持不变,直到下次开通。
2.7 开关模态7[ t 6- t 7]
在 t 6时刻, u ds1= u ds2= U in, u c1=- U in, u c2=- U c,D1和D2开通,变压器T1通过D1,D2进行磁复位,直到S3,S4同时开通时结束,即下半个周期开始时结束。
3 实验结果
3.1 电路的主要参数
U in=270V; U out=360V; P o=2kW; f s=50kHz;变比 n =1.08; L lk=5μH; L m=2.7mH。 [p]
3.2 实验波形
实验波形如图4—图6所示。图4为原边电流波形和开关S1上的电压波形,开通时,开关管中的电流从零开始逐渐增加,开关管以ZVS关断后,原边以恒流给开关管的漏源结电容充电。图5和图6分别为驱动电压和开关S1和S2上的电压波形,可以看出,在开关S1和S2关断的后期,上管S1上的电压下降很少,而下管S2上的电压下降很多。
图4 原边电流和开关S1电压波形
图5 驱动电压和开关S1电压波形
图6 驱动电压和开关S2电压波形
3.3 效率
所研发的2kW的DC/DC变换器,在满载时,效率为92.1%。
4 结语
1)借助变压器的漏感,实现了ZCS开通,采用IRFP460作为开关管,实现了ZVS关断。
2)LCD箝位网络抑制了关断时因变压器漏感在开关管上产生的电压尖峰。
射频工程师养成培训教程套装,助您快速成为一名优秀射频工程师...

