- 易迪拓培训,专注于微波、射频、天线设计工程师的培养
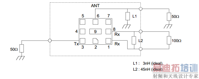
请问Band3的这个Duplexer在Rx那路为什么中间要加个电感?
录入:edatop.com 点击:
具体对Rx性能有什么帮助呢? 我调试Matching的时候,加不加这个电感都没有变化啊?
上图

上图

根据提供的这个参考值,去调节阻抗匹配,要去考虑线路另一端元件和匹配线路的综合阻抗,使之与这个等效阻抗成共轭关系.
大多数双工器都是容性腔,外并一个电感就好理解了,多大的电感一般spec会附上,根据推荐值去调会顺利很多
学习学习
谢谢分享
二楼正解
谢谢分享
前两天刚遇到的一个问题....具体怎么解释还不是很清楚
OK,谢谢分享
三楼正解
谢谢分享
谢谢
双工器由于封装的原因呈现容性,这个可以理解,那为什么TRX和RX端都有并联电感,而TX那边却不用呢?没太弄明白。
差分端并器件一般为了去除差分线之间的差模干扰,串器件则是为了去除共模干扰
TX 那边因为还没过双工,是双工器的input, 属于PA的loadpull部分.当然双工器厂商不会在那边给你建议加什么器件了
学习了,谢谢!
申明:网友回复良莠不齐,仅供参考。

