- 易迪拓培训,专注于微波、射频、天线设计工程师的培养
LCD背光电路问题

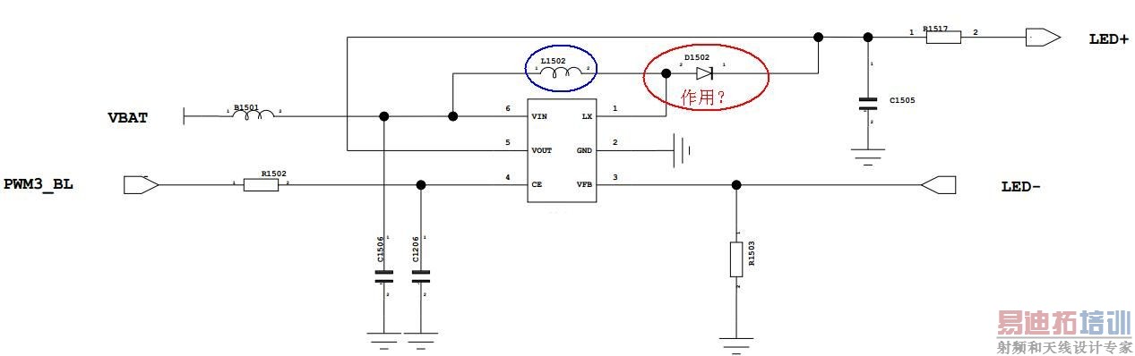
这个电路是个典型的由DC-DC芯片组成的升压型稳压电路,电路的基本工作原理同开关电源,在这里我们再做一下简单的介绍,在IC的1脚会输出脉冲波形,当一脚输出的是低电平时,电流的典型流向为:VBAT->L1501->L1502->ICD的1引脚->GND,这时候因为电感的特性,L1502的二个端点会产生一个与VBAT方向相反的感应电动势(可由物理实验得到验证,中学的教课书中就有说明,很多人无法理解这点,记住就好)来阻碍电路中电流的变化,
此时电路中的电流会缓慢的上升,上升的速度取决于电感的感量,一般会在电感中的电流达到最大值(电感达到磁饱和)之前,让IC的1引脚输出高电平,否则引起VBAT对地电路的现象发生,这是要绝对避免的,不过一般在芯片的内部都有过流保护电路,可以避免此类事件的发生。
在电感经过一段时间的储能后,IC的1引脚输出高电平时,由于电路的电流回路被切断,在那一瞬间,电感中会感应出一个很高的与VBAT同方向的感应电动势(可由物理实验得到验证,中学的教课书中就有说明,很多人无法理解这点,记住就好),这是由电感的特性所决定的,此时VBAT和电感二端的感应电动势加在一起,将会使得D1502导通,此时电路中的电流的流向为:VBAT->L1501->L1502->D1502->R1517(负载)>GND,此时有二条电流的回路,一条回路给C1505充电,另外一条回路给LED负载供电,对于这样的电路,只要改变IC的1引脚输出的脉冲频率就可以改变输出的电压了,至于如何让输出的电压稳定及如何控制输出的电流大小,可以参考芯片的资料。在本例中,芯片通过3,5脚,可以检测到输出电压和输出的电流。
这个肖特基二极管主要是起到隔离的作用的,当LX工作的时候电感通过VBAT进行蓄能,二此时二极管的右端电势应该比左端的高,不会影响到电感的蓄能,当LX断开后,电感的电动势再加上VBAT的电动势一起通过肖特基二极管进行放电,实现升压的目的,从而驱动背光。(个人理解)
单向导通性
限流
仔细看了资深工程师的解说,有点晕了,
其实就是BOOST电路的隔离兼续流的二极管
就是一个升压电路
看一下芯片资料就懂了
看一下boost电路原理
顶起,顶起
hjr yhae ryerfewq
上一篇:Lumia 950支持Type-c接口,它是如何通过Type-c接口实现视频传输的?
下一篇:手机能否不插电池开机?

