- 易迪拓培训,专注于微波、射频、天线设计工程师的培养
USB电池充电:比想像中更困难
随着USB埠已经无所不在,将它做为通用充电埠的概念也逐渐被市场所接受。然而,要达到真正的通用性,是一件知易行难的工作。本文将说明设计人员在开发备受期待、且无所不在的USB充电埠时常遭遇到的挑战。
为什么充电时间这么长?
所谓提供「快速」充电,究竟代表什么意义?它取决于你对「快速」的定义──而且通常都归结于消费者的期望。常听到的例子是,「我在家为我的手机、MP3播放器或其他装置充电时,只要几个小时;但在公司,用我的笔电、萤幕和新的转接器,却得花上一整天的时间充电!」
所以,我们得从任何一台装置都会配备的「原厂」充电器开始讨论,因为充电体验是消费者满意度的最基本要求。
每台装置所配备的墙式原厂充电器通常会在资料接脚上放一个识别标记,让装置知道可以安全地充入更多电流。在某些情况下,如果碰到无法辨识的主机,它就不会让装置进行充电。此标记通常是以特定电压的形式放在D+、D-或两个接脚上。
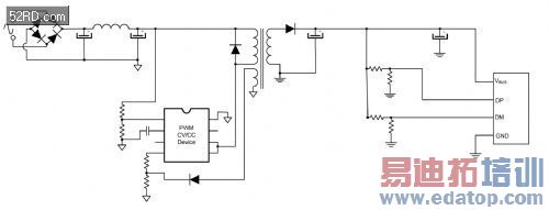
图一所示为采用此方法的墙式充电器的常见架构,它采取的配置方式是可以让制造商销售更多配件的。没错,对任何一款可携式产品来说,销售专用配件绝对是其业务计画的一部分。消费者买了需要充电的产品以後,约有一半的比例会多买一个充电器。理由很简单,我们不喜欢随身携带充电器,所以会在每个常停留的地方像办公室或车内放一个充电器。

什么是「正确的」充电电流?
这里先做一个提示:答案可能会有三个。
在分析USB充电之前,你首先需要一个能用来量测Vbus电流的系统,并量测D+和D-接脚上的电压。这可透过建置能将周边和主机都插上的电路板,并将其D+、D-和Vbus线路露出来以进行分析。
现在通过一个经由转接板(interposer)连接的设备来评估充电电流。让我们假设,我们都很聪明地知道原厂充电器施加在D+和D-上的电压,同时重新建立一个独立的充电电路来证实我们的猜测。然後,我们施以正确的电压,就与原厂充电器施加在D+和D-上的电压相同,但是充电电流与我们先前的结果并不一样。
现在,让我们来检查功率 ─ 并不是看装置是否插好电,而是看功率级别。
电池的功率级别在充电中扮演了重要角色。我们许多从事手机设计的人都知道,完全放电的锂离子电池在真正开始充电前,需要先慢慢地进行细流(trickle)充电。
此情况当然也会让你搞不清楚到底有没有取得最佳的充电电流。插到USB埠的周边装置在充饱电之前,可能会有好几个不同的充电点。通常,它会有一个低充电模式,以供刚才提到细流充电之用。它也可能对何时该对电池正常充电有不同的充电状态。最後,它可能会有一个电池充饱的充电状态。
因此,你需要观察当电池没电、充电到一半,以及充饱电池等不同期间,充电电流各会是多少。听起来很耗时间?那当然──但这是完全了解充电特性的必要之恶。
充电与资料传输有可能兼具吗?
现在我们比较了解消费者的充电器配置,以及如何观察它的充电电流。对许多应用来说(诸如PC、萤幕和扩充基座),你会希望能够快速充电,并具备同时传输资料的能力。
在这方面,市场上仍有许多疑虑,认为可能性不高。理由是基于许多原厂充电器会在USB埠的D+和D-接脚上施加电压的这个事实。由于USB的传统数据通讯是以USB 1.1 3.3V和USB 2.0 400mV为基础,由于需要将不同的电压施加在这些线路上,所以不可能同时进行通讯与列举(enumeration)。
但这个规则有一些例外。举例来说,当你第一次将装置插入USB埠时,装置会要求你下载特定装置的软体到主机上。有些手机为了同步作业,便会有此要求,因此有助于在通讯时,同时以较高的电流进行充电。因此,对于装置的通讯和充电,装置可透过特定的软体驱动程式来设定限制。
但USB充电并非完全不可行,事实上,业界正在努力推动这项工作。USB-IF电池充电规范 1.2修订版(BC 1.2)已经制订完成,以因应数据与充电并行的这项挑战。
BC 1.2是专为统一USB 2.0充电特性的未来应用所制订。它的想法是希望透过一套通用的USB充电规范标准,尽量减少垃圾掩埋场中堆积如山的手机充电器。基于废弃物减量的考量,欧盟已经是此规范的早期采用者。特别是,它承诺将在能传输数据的行动电话中采用相同的Micro-USB接头。但是,欧盟尚未完全采用BC 1.2规范。
BC 1.2规范中包括充电下行埠(CDP)模式,可允许数据传输和较高的充电电流。举例来说,如果,主机或集线器上的D+感测到0.4V至0.8V的电压,那们D-就会以0.5V至0.7V回应。
更多有关调配时序的细节都可在规范中找到。一旦CDP建立好了,周边装置最高能取得1.5A的电流,并同时传输资料。采用这项技术的装置,包括手机在内,都将会在今年内问世。
USB埠已渗入我们的生活,以作为电源供应之用,但我们必须采取明智策略,才能善加运用这项功能。希望本文关于USB充电的基本介绍能帮助你朝正确的方向发展,而不要重蹈他人曾走错的覆辙。
上一篇:3G手机电源管理的设计趋势
下一篇:MOSFET结构及其工作原理详解

