- 易迪拓培训,专注于微波、射频、天线设计工程师的培养
MOSFET结构及其工作原理详解
1.MOSFET的 工作原理
MOSFET的原意是:MOS(Metal Oxide Semiconductor金属氧化物半导体),FET(Field Effect Transistor场效应晶体管),即以金属层(M)的栅极隔着氧化层(O)利用电场的效应来控制半导体(S)的场效应晶体管。
功率场效应晶体管也分为结型和绝缘栅型,但通常主要指绝缘栅型中的MOS型(Metal Oxide Semiconductor FET),简称功率MOSFET(Power MOSFET)。结型功率场效应晶体管一般称作静电感应晶体管(Static Induction Transistor——SIT)。其特点是用栅极电压来控制漏极电流,驱动电路简单,需要的驱动功率小,开关速度快,工作频率高,热稳定性优于GTR,但其电流容量小,耐压低,一般只适用于功率不超过10kW的电力电子装置。
2.功率MOSFET的结构和工作原理
功率MOSFET的种类:按导电沟道可分为P沟道和N沟道。按栅极电压幅值可分为;耗尽型;当栅极电压为零时漏源极之间就存在导电沟道,增强型;对于N(P)沟道器件,栅极电压大于(小于)零时才存在导电沟道,功率MOSFET主要是N沟道增强型。
2.1.功率MOSFET的结构
功率MOSFET的内部结构和电气符号如图1所示;其导通时只有一种极性的载流子(多子)参与导电,是单极型晶体管。导电机理与小功率MOS管相同,但结构上有较大区别,小功率MOS管是横向导电器件,功率MOSFET大都采用垂直导电结构,又称为VMOSFET(Vertical MOSFET),大大提高了MOSFET器件的耐压和耐电流能力。

按垂直导电结构的差异,又分为利用V型槽实现垂直导电的VVMOSFET和具有垂直导电双扩散MOS结构的VDMOSFET(Vertical Double-diffused MOSFET),本文主要以VDMOS器件为例进行讨论。
功率MOSFET为多元集成结构,如国际整流器公司(International Rectifier)的HEXFET采用了六边形单元;西门子公司(Siemens)的SIPMOSFET采用了正方形单元;摩托罗拉公司(Motorola)的TMOS采用了矩形单元按“品”字形排列。
2.2.功率MOSFET的工作原理
截止:漏源极间加正电源,栅源极间电压为零。P基区与N漂移区之间形成的PN结J1反偏,漏源极之间无电流流过。
导电:在栅源极间加正电压UGS,栅极是绝缘的,所以不会有栅极电流流过。但栅极的正电压会将其下面P区中的空穴推开,而将P区中的少子—电子吸引到栅极下面的P区表面
当UGS大于UT(开启电压或阈值电压)时,栅极下P区表面的电子浓度将超过空穴浓度,使P型半导体反型成N型而成为反型层,该反型层形成N沟道而使PN结J1消失,漏极和源极导电。
2.3.功率MOSFET的基本特性
2.3.1静态特性MOSFET的转移特性和输出特性。
漏极电流ID和栅源间电压UGS的关系称为MOSFET的转移特性,ID较大时,ID与UGS的关系近似线性,曲线的斜率定义为跨导Gfs
MOSFET的漏极伏安特性(输出特性):截止区(对应于GTR的截止区);饱和区(对应于GTR的放大区);非饱和区(对应于GTR的饱和区)。电力MOSFET工作在开关状态,即在截止区和非饱和区之间来回转换。电力MOSFET漏源极之间有寄生二极管,漏源极间加反向电压时器件导通。电力MOSFET的通态电阻具有正温度系数,对器件并联时的均流有利。
2.3.2动态特性MOSFET其测试电路和开关过程。
开通过程;开通延迟时间td(on) —Up前沿时刻到UGS=UT并开始出现iD的时刻间的时间段;上升时间tr— UGS从UT上升到MOSFET进入非饱和区的栅压UGSP的时间段;iD稳态值由漏极电源电压UE和漏极负载电阻决定。UGSP的大小和iD的稳态值有关,UGS达到UGSP后,在up作用下继续升高直至达到稳态,但iD已不变。开通时间ton—开通延迟时间与上升时间之和。
关断延迟时间td(off) —Up下降到零起,Cin通过RS和RG放电,UGS按指数曲线下降到UGSP时,iD开始减小为零的时间段。下降时间tf— UGS从UGSP继续下降起,iD减小,到UGS
2.3.3MOSFET的开关速度
MOSFET的开关速度和Cin充放电有很大关系,使用者无法降低Cin,但可降低驱动电路内阻Rs减小时间常数,加快开关速度,MOSFET只靠多子导电,不存在少子储存效应,因而关断过程非常迅速,开关时间在10~100ns之间,工作频率可达100kHz以上,是主要电力电子器件中最高的。
场控器件静态时几乎不需输入电流。但在开关过程中需对输入电容充放电,仍需一定的驱动功率。开关频率越高,所需要的驱动功率越大。
3.动态性能的改进
在器件应用时除了要考虑器件的电压、电流、频率外,还必须掌握在应用中如何保护器件,不使器件在瞬态变化中受损害。当然晶闸管是两个双极型晶体管的组合,又加上因大面积带来的大电容,所以其du/dt能力是较为脆弱的。对di/dt来说,它还存在一个导通区的扩展问题,所以也带来相当严格的限制。
功率MOSFET的情况有很大的不同。它的dv/dt及di/dt的能力常以每纳秒(而不是每微秒)的能力来估量。但尽管如此,它也存在动态性能的限制。这些我们可以从功率MOSFET的基本结构来予以理解。

上图是功率MOSFET的等效电路,在应用中除了要考虑功率MOSFET每一部分都存在电容以外,还必须考虑MOSFET还并联着一个二极管。同时从某个角度看、它还存在一个寄生晶体管。(就像IGBT也寄生着一个晶闸管一样)。这几个方面,是研究MOSFET动态特性很重要的因素。
首先MOSFET 结构中所附带的本征二极管具有一定的雪崩能力。通常用单次雪崩能力和重复雪崩能力来表达。当反向di/dt很大时,二极管会承受一个速度非常快的脉冲尖刺,它有可能进入雪崩区,一旦超越其雪崩能力就有可能将器件损坏。作为任一种PN结二极管来说,仔细研究其动态特性是相当复杂的。它们和我们一般理解PN 结正向时导通反向时阻断的简单概念很不相同。当电流迅速下降时,二极管有一阶段失去反向阻断能力,即所谓反向恢复时间。PN结要求迅速导通时,也会有一段时间并不显示很低的电阻。在功率MOSFET中一旦二极管有正向注入,所注入的少数载流子也会增加作为多子器件的MOSFET的复杂性。
功率MOSFET的设计过程中采取措施使其中的寄生晶体管尽量不起作用。在不同代功率MOSFET中其措施各有不同,但总的原则是使漏极下的横向电阻RB 尽量小。因为只有在漏极N区下的横向电阻流过足够电流为这个N区建立正偏的条件时,寄生的双极性晶闸管才开始发难。然而在严峻的动态条件下,因du/dt 通过相应电容引起的横向电流有可能足够大。此时这个寄生的双极性晶体管就会起动,有可能给MOSFET带来损坏。所以考虑瞬态性能时对功率MOSFET器件内部的各个电容(它是dv/dt的通道)都必须予以注意。
瞬态情况是和线路情况密切相关的,这方面在应用中应给予足够重视。对器件要有深入了解,才能有利于理解和分析相应的问题。
4.功率MOSFET驱动电路
功率MOSFET是电压型驱动器件,没有少数载流子的存贮效应,输入阻抗高,因而开关速度可以很高,驱动功率小,电路简单。但功率MOSFET的极间电容较大,输入电容CISS、输出电容COSS和反馈电容CRSS与极间电容的关系可表述为: 功率MOSFET的栅极输入端相当于一个容性网络,它的工作速度与驱动源内阻抗有关。由于 CISS的存在,静态时栅极驱动电流几乎为零,但在开通和关断动态过程中,仍需要一定的驱动电流。假定开关管饱和导通需要的栅极电压值为VGS,开关管的开通时间TON包括开通延迟时间TD和上升时间TR两部分。
开关管关断过程中,CISS通过ROFF放电,COSS由RL充电,COSS较大,VDS(T)上升较慢,随着VDS(T)上升较慢,随着VDS(T)的升高COSS迅速减小至接近于零时,VDS(T)再迅速上升。
根据以上对功率MOSFET特性的分析,其驱动通常要求:触发脉冲要具有足够快的上升和下降速度;②开通时以低电阻力栅极电容充电,关断时为栅极提供低电阻放电回路,以提高功率MOSFET的开关速度;③为了使功率MOSFET可靠触发导通,触发脉冲电压应高于管子的开启电压,为了防止误导通,在其截止时应提供负的栅源电压;④功率开关管开关时所需驱动电流为栅极电容的充放电电流,功率管极间电容越大,所需电流越大,即带负载能力越大。
4.1几种MOSFET驱动电路介绍及分析

不隔离的互补驱动电路图
a)为常用的小功率驱动电路,简单可靠成本低。适用于不要求隔离的小功率开关设备。图7(b)所示驱动电路开关速度很快,驱动能力强,为防止两个MOSFET管直通,通常串接一个0.5~1Ω小电阻用于限流,该电路适用于不要求隔离的中功率开关设备。这两种电路特点是结构简单。
功率MOSFET 属于电压型控制器件,只要栅极和源极之间施加的电压超过其阀值电压就会导通。由于MOSFET存在结电容,关断时其漏源两端电压的突然上升将会通过结电容在栅源两端产生干扰电压。常用的互补驱动电路的关断回路阻抗小,关断速度较快,但它不能提供负压,故抗干扰性较差。为了提高电路的抗干扰性,可在此种驱动电路的基础上增加一级有V1、V2、R组成的电路,产生一个负压,电路原理图如图8所示。

提供负压的互补电路图
当V1 导通时,V2关断,两个MOSFET中的上管的栅、源极放电,下管的栅、源极充电,即上管关断,下管导通,则被驱动的功率管关断;反之V1关断时,V2导通,上管导通,下管关断,使驱动的管子导通。因为上下两个管子的栅、源极通过不同的回路充放电,包含有V2的回路,由于V2会不断退出饱和直至关断,所以对于S1而言导通比关断要慢,对于S2而言导通比关断要快,所以两管发热程度也不完全一样,S1比S2发热严重。
该驱动电路的缺点是需要双电源,且由于R的取值不能过大,否则会使V1深度饱和,影响关断速度,所以R上会有一定的损耗。
4.1.2隔离的驱动电路

正激驱动电路
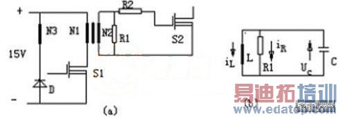
(1)正激式驱动电路。电路原理如图9(a)所示,N3为去磁绕组,S2为所驱动的功率管。R2为防止功率管栅极、源极端电压振荡的一个阻尼电阻。因不要求漏感较小,且从速度方面考虑,一般R2较小,故在分析中忽略不计。
其等效电路图如图9 (b)所示脉冲不要求的副边并联一电阻R1,它做为正激变换器的假负载,用于消除关断期间输出电压发生振荡而误导通。同时它还可以作为功率MOSFET关断时的能量泄放回路。该驱动电路的导通速度主要与被驱动的S2栅极、源极等效输入电容的大小、S1的驱动信号的速度以及S1所能提供的电流大小有关。由仿真及分析可知,占空比D越小、R1越大、L越大,磁化电流越小,U1值越小,关断速度越慢。该电路具有以下优点:
①电路结构简单可靠,实现了隔离驱动。
②只需单电源即可提供导通时的正、关断时负压。
③占空比固定时,通过合理的参数设计,此驱动电路也具有较快的开关速度。
该电路存在的缺点:一是由于隔离变压器副边需要噎嗝假负载防振荡,故电路损耗较大;二是当占空比变化时关断速度变化较大。脉宽较窄时,由于是储存的能量减少导致MOSFET栅极的关断速度变慢。
MOSFET栅极的关断速度变慢。

有隔离变压器的互补驱动电路
(2)有隔离变压器的互补驱动电路。如图10所示,V1、V2为互补工作,电容C起隔离直流的作用,T1为高频、高磁率的磁环或磁罐。
导通时隔离变压器上的电压为(1-D)Ui、关断时为D Ui,若主功率管S可靠导通电压为12V,而隔离变压器原副边匝比N1/N2为12/(1-D)/ Ui。为保证导通期间GS电压稳定C值可稍取大些。该电路具有以下优点:
①电路结构简单可靠,具有电气隔离作用。当脉宽变化时,驱动的关断能力不会随着变化。
②该电路只需一个电源,即为单电源工作。隔直电容C的作用可以在关断所驱动的管子时提供一个负压,从而加速了功率管的关断,且有较高的抗干扰能力。
但该电路存在的一个较大缺点是输出电压的幅值会随着占空比的变化而变化。当D 较小时,负向电压小,该电路的抗干扰性变差,且正向电压较高,应该注意使其幅值不超过MOSFET栅极的允许电压。当D大于0.5时驱动电压正向电压小于其负向电压,此时应该注意使其负电压值不超过MOAFET栅极允许电压。所以该电路比较适用于占空比固定或占空比变化范围不大以及占空比小于0.5的场合。
(3)集成芯片UC3724/3725构成的驱动电路

集成芯片UC3724/3725构成的驱动电路
电路构成如图11 所示。其中UC3724用来产生高频载波信号,载波频率由电容CT和电阻RT决定。一般载波频率小于600kHz,4脚和6脚两端产生高频调制波,经高频小磁环变压器隔离后送到UC3725芯片7、8两脚经UC3725进行调制后得到驱动信号,UC3725内部有一肖特基整流桥同时将7、8脚的高频调制波整流成一直流电压供驱动所需功率。一般来说载波频率越高驱动延时越小,但太高抗干扰变差;隔离变压器磁化电感越大磁化电流越小,UC3724发热越少,但太大使匝数增多导致寄生参数影响变大,同样会使抗干扰能力降低。根据实验数据得出:对于开关频率小于100kHz的信号一般取(400~500)kHz载波频率较好,变压器选用较高磁导如5K、7K等高频环形磁芯,其原边磁化电感小于约1毫亨左右为好。这种驱动电路仅适合于信号频率小于100kHz的场合,因信号频率相对载波频率太高的话,相对延时太多,且所需驱动功率增大,UC3724和UC3725芯片发热温升较高,故100kHz以上开关频率仅对较小极电容的MOSFET才可以。对于1kVA左右开关频率小于100kHz的场合,它是一种良好的驱动电路。该电路具有以下特点:单电源工作,控制信号与驱动实现隔离,结构简单尺寸较小,尤其适用于占空比变化不确定或信号频率也变化的场合。
5.功率MOSFE发展与研发
MOSFET漏源之间的电流通过一个沟道(CHANNEL)上的栅(GATE)来控制。按MOSFET的原意,MOS代表金属(METAL)-氧化物(OXIDE)-半导体(SEMICONDUCTOR),即以金属层(M)的栅极隔着氧化层(O)利用电场的效应来控制半导体(S)。FET (FIELDEFFECTTRANSISTOR场效应晶体管)的名字也由此而来。然而我HEXFET中的栅极并不是金属做的,而是用多晶硅(POLY)来做栅极,这也就是图中所注明的硅栅极(SILICONGATE)。IR在1978年时是用金属做栅极的,1979年的GEN-1HEXFET是世界上第一个采用多晶硅栅极的多原胞型功率MOSFET。
IR 功率MOSFET的基本结构中每一个六角形是一个MOSFET的原胞(CELL)。正因为原胞是六角形的(HEXANGULAR),因而IR常把它称为 HEXFET。功率MOSFET通常由许多个MOSFET原胞组成。已风行了十余年的IR第三代(GEN-3)HEXFET每平方厘米约有18万个原胞,目前世界上密度最高的IR第八代(GEN-8)HEXFET每平方厘米已有1740万个原胞。这就完全可以理解,现代功率半导体器件的精细工艺已和微电子电路相当。新一代功率器件的制造技术已进入亚微米时代。
作为功率MOSFET 来说,有两项参数是最重要的。一个是RDS(ON),即通态时的漏源电阻。另一个是QG,即栅极电荷,实际即栅极电容。栅极电容细分起来可分成好几个部分,与器件的外特性输入与输出电容也有较复杂的关系。除此之外有些瞬态参数也需要很好考虑,这些我们留到后面再谈。
5.1通态漏源电阻RDS(ON)的降低
为降低RDS(ON),先要分析一下RDS(ON)是由哪些部分组成。这些电阻主要包括:
5.1.1 RCH:沟道电阻,即栅极下沟道的电阻。
5.1.2 RJ:JFET电阻,即把各原胞的P-基区(P-BASE)所夹住的那部分看为JEFT。JEFT是结型场效应晶体管(JUNCTIONFET)的简称。结型场效应管是以PN结上的电场来控制所夹沟道中的电流。虽同称为场效应晶体管,但它和MOSFET是以表面电场来控制沟道中的电流情况不同,所以 MOSFET有时也被称为表面场效应管。
5.1.3 RD:漂移层电阻,主要是外延层中的电阻。一般做功率MOSFET都采用外延片。所谓外延片即在原始的低阻衬底(SUBSTRATE)硅片上向外延伸一层高阻层。高阻层用来耐受电压,低阻衬底作为支撑又不增加很多电阻。对MOSFET来说,载流子(电子或空穴)在这些区域是在外界电压下作漂移(DRIFT)运动,故而相关的电阻称为RD。若要求MOSFET的耐压高,就必须提高高阻层(对N沟道MOSFET来说,称N-层)的电阻率,但当外延层的电阻率提高时,RD也随之提高。这也是很少出现一千伏以上的高压MOSFET的原因。
(1)降低沟道电阻首先我们来看如何降低沟道电阻。前面已经提到,当前功率MOSFET发展的一个重要趋势就是把单个原胞的面积愈做愈小,原胞的密度愈做愈高,其原因就是为了降低沟道电阻。为什么提高原胞的密度可降低沟道电阻呢?从图一可以看出:HEXFET的电流在栅极下横向流过沟道。其电阻的大小和通过沟道时的截面有关。而这个截面随器件内原胞周界的增长而增大。当原胞密度增大时,在一定的面积内,围绕着所有原胞的总周界长度也迅速扩大,从而使沟道电阻得以下降。
IR公司1995 年发展的第五代HEXFET,其原胞密度已比第三代大5倍。因此通过同样电流时的硅片面积有希望缩小到原来的2/5。第五代的另一个特点是,其工艺大为简化,即从第三代的6块光刻板减为4块,这样器件的制造成本就可能降低。当今世界上最流行的仍是IR的第三代和第五代,第三代常用于较高电压的器件(如 200~600伏),而第五代常用于较低电压的器件(如30~250伏)。高密度结构在较低电压器件中显示更优越作用的原因是因为低压器件的体电阻RD较小,因而降低沟道电阻更易于显出效果。过去有多年工作经验的电力电子工作者,常对当前生产厂热中于发展低压器件不感兴趣或不可理解。这主要是电力电子技术的应用面已大大拓宽,一些低压应用已成为新技术发展中的关键。最典型的是电脑中电源的需求。正在研究的是1伏甚至到0.5伏的电源,同时必须迅速通过50 或100安这样大的电流,这种要求对半导体器件是十分苛刻的。就像要求一个非常低压力的水源,瞬间流出大量的水一样。
为进一步增加原胞密度,也可以采用挖槽工艺。通常称为TRENCH(沟槽)MOSFET。将沟槽结构作了一个简单图示。沟槽结构的沟道是纵向的,所以其占有面积比横向沟道为小。从而可进一步增加原胞密度。有趣的是,最早做功率稍大的垂直型纵向MOSFET时,就是从挖槽工艺开始的,当初称为VVMOS,但由于工艺不成熟,因而只有当平面型的VDMOS出现后,才有了新一代的功率半导体器件的突破。在半导体器件的发展过程中,因为半导体工艺的迅速发展,或是一种新的应用要求,使一些过去认为不成熟的技术又重新有了发展,这种事例是相当普遍的。当前一统天下的纵向结构功率MOSFET,也有可能吸纳横向结构而为低压器件注入新的发展方向。
(2)降低JFET电阻
为降低JFET电阻,很早就采用了一种工艺,即增加所夹沟道中的掺杂浓度,以求减小JFET的沟道电阻。
沟槽式结构也为降低JFET电阻带来好处。原结构中的JFET在沟槽型结构中已经消失。这也就使其RDS(ON)得以进一步下降。然而沟槽式的缺点是其工艺成本要比原平面型的结构较高。
(3)降低漂移电阻
上面的讨论已涉及到如何降低沟道电阻RCH和JFET电阻RJ。现在剩下的是如何来减小芯片的体电阻RD。上面已经提到,当要求MOSFET工作于较高电压时,必需提高硅片的电阻率。在双极型晶体管中(晶闸管也一样),有少数载流子注入基区来调节体内电阻,所以硅片电阻率的提高对内阻的增加影响较小。但 MOSFET则不属于双极型晶体管,它依赖多数载流子导电,所以完全是以外延层的电阻率来决定其RD。因而使MOSFET的RDS(ON)与器件耐压有一个大概2.4到2.6次方的关系。即要求器件的耐压提高时,其RDS(ON)必然有一个十分迅速的上升。这也是为什么在600伏以上常采用IGBT的原因。IGBT是绝缘栅双极型晶体管的简称,IGBT虽然结构与MOSFET相似,但却是一种双极型器件。它也是采用少数载流子的注入来降低其体电阻的。
一个十分聪明的构思又为功率MOSFET提供了一条新出路。如果N-沟道MOSFET中的P基区向体内伸出较长形成一个P柱。则当漏源之间加上电压时,其电场分布就会发生根本的变化。通常PN结加上电压时,电位线基本上是平行于PN结面的。但这种P柱在一定的设计下可使电位线几乎和元件表面平行。就像P柱区和N-区已被中和为一片高阻区一样。于是就可以采用较低的电阻率去取得器件较高的耐压。这样,RDS(ON)就因较低的电阻率而大大下降,和耐压的关系也不再遵循前面所提到的2.4到2.6次方的关系了。这样一种思路为MOSFET拓宽了往高压的发展,今后和IGBT在高压领域的竞争就大为有利了。
通过上面的各种努力,IR公司MOSFET的RDS(ON)正逐年下降,或者说,正在逐季下降。应用工作者如何抓住机会跟上器件的发展,及时把更好性能的器件用上去,就变得十分重要了。
5.2栅电荷QG的降低
MOSFET常常用在频率较高的场合。开关损耗在频率提高时愈来愈占主要位置。降低栅电荷,可有效降低开关损耗。
为了降低栅电荷,从减小电容的角度很容易理解在制造上应采取的措施。为减小电容,增加绝缘层厚度(在这儿是增加氧化层厚度)当然是措施之一。减低电容板一侧的所需电荷(现在是降低沟道区的搀杂浓度)也是一个相似的措施。此外,就需要缩小电容板的面积,这也就是要减小栅极面积。缩小原胞面积增加原胞密度从单个原胞来看,似乎可以缩小多晶层的宽度,但从整体来讲,其总的栅极覆盖面积实际上是增加的。从这一点来看,增加原胞密度和减小电容有一定的矛盾。
采用了上述措施,IR 产生了第3.5代。也称为低栅电荷MOSFET。第3.5代的米勒电容下降80%,栅电荷下降40%。当然第3.5代还有许多其它措施来降低RDS (ON)(降低了15%),这样所带来的好处不仅是开通速度快了,温升降低了,也带来了DV/DT能力的提高,栅漏电压的增高,同时也降低了驱动电路的费用。所以对应用工作者来说,将大家最为熟悉的第三代改换用第3.5代的时机已经来到。为缓解原胞密度增高后栅面积增大引起栅电荷过分增大的问题,一种折衷的结构也随之出现。那就是将漏极的原胞结构改为条状漏极。这时候可以有同样窄的栅极(条密度很高)而不至于增加太多栅极面积,所以栅电荷得以减小。
上一篇:USB电池充电:比想像中更困难
下一篇:关于MOSFET驱动电阻的选择

