- 易迪拓培训,专注于微波、射频、天线设计工程师的培养
改变偏置电流来改变PA的增益或者工作模式,怎么理解呢?

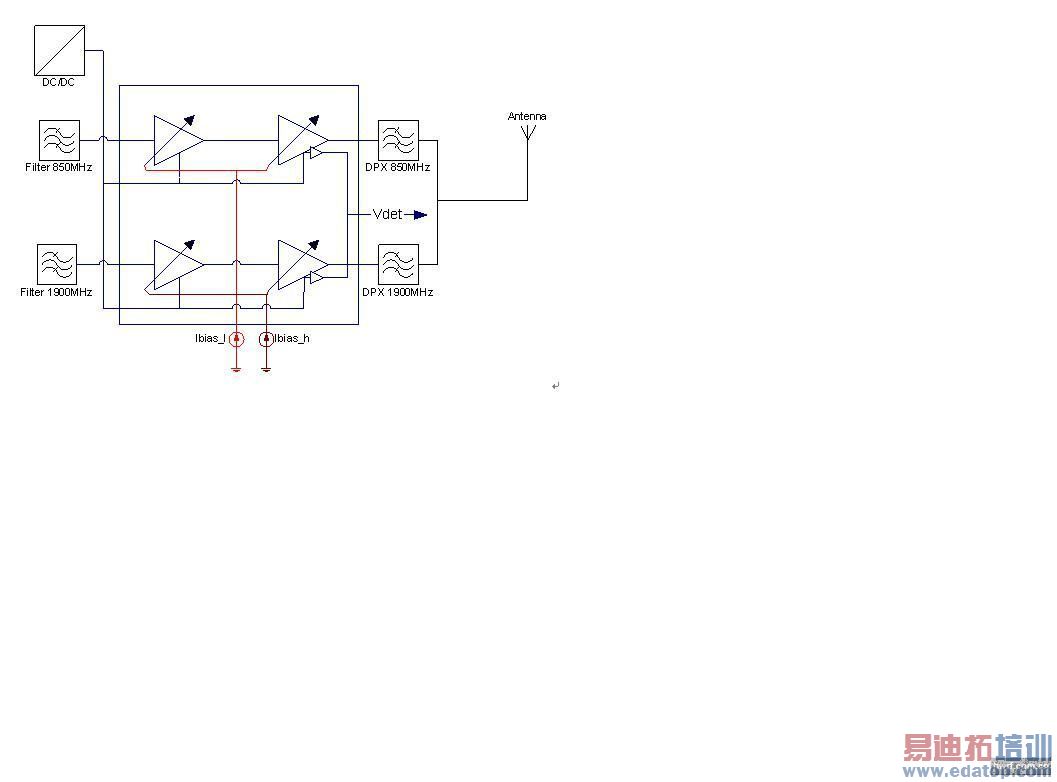
如图所示,不知道PA的功率是如何控制的,想深入了解一下这个原理啊。可能会对WCDMA PA的输出特性,例如ACPR有影响。
偏置电流低了,偏置电压也低,可以允许的电压摆幅就小了,1dB压缩点也变小了,所以输出功率一大,下面就被削顶了,ACPR就超了。
驱动和放大级的管子在不同的静态电流下有对应的噪声系数、增益、线性,静态电流的大小也可以看出管子的开启程度,由电流导通角定义管子的工作在A AB B类等状态



參考一下
低功率模式的MAX2291增益控制
MAX2291 是为PCS 频段设计的单电源线性功放,器件封装形式为UCSP?(芯片尺寸大小)。该
器件通过简单的外部调配便可用于WCDMA和TD-SCDMA 手机设计。该器件的典型线性输出功
率为:NCDMA 模式+29dBm,TDMA 模式为+30.5dBm,WCDMA模式和TD-SCDMA模式为+28dBm。
为在中等输出功率+15dBm左右获得较好的效率,MAX2291预留了一个低功率的通道。在设计
射频发信机时,你会发现单靠发生芯片和功放驱动往往达不到系统要求的动态范围,如
3GPP WCDMA 标准,该标准要求发生可控发射功率范围为+24dm 到-50dBm,共74dB 的动态
范围,如再考虑一些余量,整个发生应具有超过80dB的动态范围。发生芯片动态指标
往往受限于高功率时的ACPR 指标和低功率时的噪声底,对PA做一定的增益控制能够比较好
的解决这一问题。
功放增益控制特性的测量见图一,低功率通道的偏置是由RBIAS1L和RBIAS2L决定的,
线性功放MAX2291 有前后两级组成,可以通过控制外部电阻来改变偏置电流从而方便不同的
应用。在具体调整功放增益时,你可以调整前后两级中的任一级偏置电流或两者同时控制,
这取决于你对电路性能的不同要求,同时也要考虑有无DAC 端口供使用。下面的测量数据是
对偏置电流同时控制时测出的。
从图中可以看到控制电压有一可调电压源提供,通过电阻连到偏置管脚上。在关掉可调电压
源时,功放处于正常工作模式,当打开可调电压源时你会发现功放增益随控制电压的改变而
改变。
下面图二给出了在NCDMA模式下,ACPR和增益指标随控制电压的悲曲线,注意在测量时
为保持ACPR1 基本不变,功放的输入功率是悲的,从-5dBm到+2dBm。
申明:网友回复良莠不齐,仅供参考。

