- 易迪拓培训,专注于微波、射频、天线设计工程师的培养
接收端这个电路起什么作用
录入:edatop.com 点击:
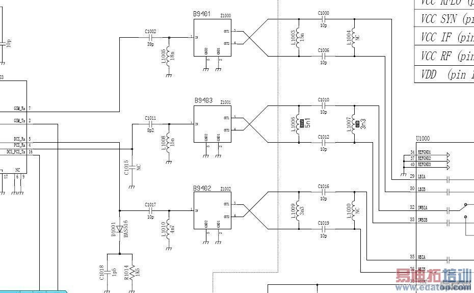
接收端的B9401,B9402,B9403后面都接了几个小电容和电感,如C1000,C1006,L1003,L1004接起来到后面的收发器,我想问这几个电容电感具体作用是干什么的?
我个人理解除了是匹配作用,应该还有其他作用的,请资深工程师讲解。
另外再问一下B9402前面有多接了D1001,C1018,R1014和其他的不同,这个是干什么用的啊

我个人理解除了是匹配作用,应该还有其他作用的,请资深工程师讲解。
另外再问一下B9402前面有多接了D1001,C1018,R1014和其他的不同,这个是干什么用的啊

期待了解得工程师讲解讲解
楼主,阻抗匹配之外还有什么可能的用途呢?给个选项吧
你测一下D1001 在开关哪种工作状态下导通吧,然后再看他的用处。
巴伦后的容感可以作匹配之外,电容有隔直作用,因为TRC内部和其相连的电路可能带有直流,例如是LNA的基极,电感有抑制共模的作用,因为巴伦输出的是差模信号。二极管那应该是个接收保护电路。在手机设计里并不常见。
手机的接收还需要保护感觉不是很正确,是不是针对这个手机的结构或者布局专门设计的呢?毕竟只保护了一路。
多谢各位工程师的指点,这个二极管看似做保护,可是接收电路功率那么小,有必要吗
接收的正常的手机信号肯定是不是很大的,这个保护是针对环境中其他信号或者针对于这个手机作的准们的保护吧。
D1001,C1018,R1014
應該是防止1800與1900MHz的干擾
学习啦
!
这个电路真的是不常见。毕竟不光对干扰起到衰减作用
信号肯定也会衰减。
什么东东呀看不懂
TD上的?
申明:网友回复良莠不齐,仅供参考。

