- 易迪拓培训,专注于微波、射频、天线设计工程师的培养
天线端的电感作何用处?
录入:edatop.com 点击:
如题
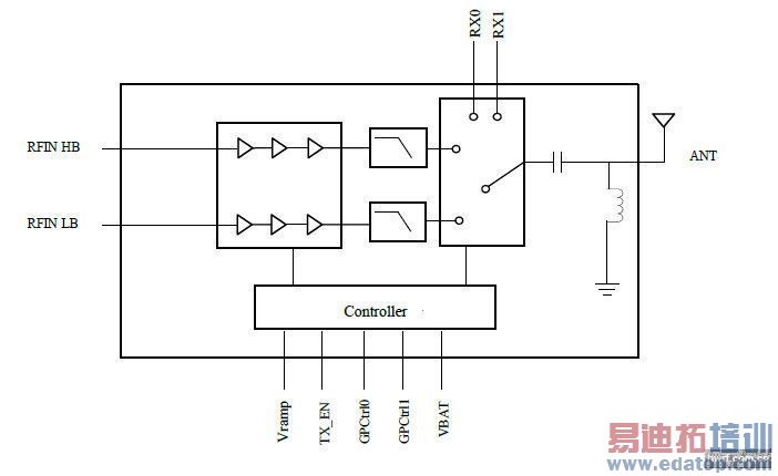
下图是手机PA原理图,一般此电感用多大的值?主要作用是什么?请各位前辈指点下,谢谢啊

下图是手机PA原理图,一般此电感用多大的值?主要作用是什么?请各位前辈指点下,谢谢啊

匹配!
应该3.9nh这样,可以预防ESD静电。
仅仅只是防ESD吗?
多谢
不是很明白.
...
我也想学习一下这个,看看再说吧、。
学习一下!顶顶
申明:网友回复良莠不齐,仅供参考。
上一篇:MTK6573怎么用ATE校准
下一篇:什么叫一阶主板什么叫二阶主板

