- 易迪拓培训,专注于微波、射频、天线设计工程师的培养
双工器的GND要不要keepout

这个没有啊
我们都是一直连在主地的,没有KEEPOUT
先回答你的问题 答案是会影响Rx的性能
之所以挖空也可以量产
我猜是因为只卖中国大陆 只过CTA
而CTA在WCDMA部份 几乎只测TX
所以RX性能劣化不影响过认证
因为WCDMA是FDD TX/RX会同时运作
所以需要Duplexer来做Tx/Rx的隔离
避免Tx讯号干扰Rx讯号
倘若Rx讯号被Tx讯号干扰 甚至LNA被Tx讯号饱和的话
那么
Sensitivity
Adjacent Channel Selectivity
Max input power level
Blocking
都会有所劣化 甚至Fail
也因此Duplexer三方都要做好隔离
而隔离的好坏 取决两个因素
1. Duplexer本身的isolation
2. Layout
第一点就不提了 料选好就是了
当然Duplexer有许多指标要看例如Size , Cost , Insertion Loss, VSWR….等
但Isolation最是重要 若Isolation太差 那其他指标再好都没意义
而第二点更重要因为若Layout不好
即便Duplexer本身isolation再好都是枉然
所以人家的Layout Guide也写了
而Layout的不好 又分走线耦合跟Pin耦合
就以MT6166这平台为例
WCDMAB1用的Duplexer是Murata的SAYRF1G95HQ0F0A
由上图可看到 因为Tx Pin跟Rx Pin在相反方向 原则上走线耦合的机会不大
比较可能的是ANT 走线耦合Rx 走线 , 以及Tx 走线耦合ANT 走线
所以人家才会叫你走线要分开一点
再来是Pin耦合 若你Duplexer下方的GND挖空那Pin之间没有护城河保护
就会产生下图的Pin耦合现象
因为你这些GND Pin没接地基本上就只是金属罢了
Tx Pin/Ant Pin是可以用”跳棋”的方式去干扰Rx Pin的
所以人家才会叫你GND Pin要连起来
注意喔!!不要忽略后面那句 ”多打Via”
前面讲过 GND Pin没接地基本上就只是金属
你若没打Via就算GND Pin连起来
ANT Pin一样可以透过跳棋的方式去干扰Rx Pin
而且GND Via要打越多越好 因为Via有等效电阻
你Via打越多等同于越多电阻并联 而电阻是越并越小
换言之Via越多 其阻抗就越低
那么Noise就越会流到Main GND 而不会去干扰Rx Pin
所以Duplexer的Layout正确方式应该如下图
而且这样的Layout 也可以加强散热
因为Duplexer的频率响应 是会随温度而有所变动的
如果离PA过近散热又不好一旦高温使其频率响应有所偏移
那么很可能主频的功率会大幅衰减
尤其是像FBAR这种Outband砍比较深的 更会有这种现象
所以Duplexer的散热也是很重要的一个考虑
另外 以AVAGO的ACMD-7612为例 中间的GND Pin直接连成一片金属

没接地的金属就是辐射体
前面Murata的Duplexer 其GND Pin比较小 或许还不是什么有效的辐射体
但AVAGO这颗GND Pin整个连成一片 那很可能会变有效的辐射体
所以有可能TX讯号先耦合到GND Pin 再辐射到Shielding Cover
再讲一次 没接地的金属就是辐射体
所以除非你Shielding Cover跟Shielding Frame接触很紧密
不然Duplexer GND Pin辐射出去的能量 会分三部份
1. 流到Main GND
2. 向外辐射出去
3. 在Shielding Can里头反射
一旦这些辐沈反射的能量 打到Transceiver/PA的电源
那你Tx的Performance 也会跟着一并劣化
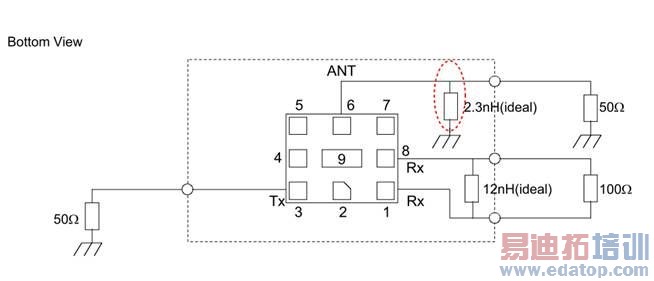
Duplexer唯一会需要挖空的目的
我只想到寄生效应
因为Duplexer本质是两个SAWFilter
有可能因其封装缘故, 导致内部成电容性
因此除了ANT端出去要外挂落地电感 来抵销其电容性 使其阻抗能收敛
也可能会需要挖空 使其电容性不要更恶化
但是由前述分析看来 挖空几乎只有坏处
倘若这颗Duplexer 不管再怎样 就是一定要挖空的话
这么重大的注意事项 厂商的Datasheet
跟MTK/Qualcomm的Layout Guide肯定会写
如果没特别Highlight
还是不挖空 铺铜并多打GND Via比较保险
其他详细原理 可参照


在此就不赘述
求推荐国产的双工器,滤波器,FBAR等等 4G器件,最好是在华东的,谢谢!
我艹,得到牛逼资深工程师的牛逼回复,膜拜学习中
受教了!
好好学习了下,讲解的很详细!
申明:网友回复良莠不齐,仅供参考。
上一篇:GSM的RGI值在哪里改?
下一篇:关于ISM rejection

