- 易迪拓培训,专注于微波、射频、天线设计工程师的培养
射频模拟前端在毫微微蜂窝基站中的应用
设想有一个设备能在家里提供高品质移动电话的接收功能,让用户只需要低廉的月费就可无限享受语音和资料的使用,Femtocell基站即可提供上述服务,甚至更多,而此放在家中或是办公室内可以改善区域无线覆盖范围的小巧无线设备,也将大幅改变无线基础建设的样貌。
图1所示为Femtocell基站的运作概念,传统的基站具有广大的区域覆盖范围,而Femtocell基站则是在一栋住宅的小型区域内提供无线涵盖范围。

Femtocell基站通过用户的宽频网际网络连线将移动通信流量路由至网络,以此方式使流量得以从无线电网络中转移出来,可改善网络的容量,同时减轻经营者的后置网络、电力及维护成本,也可让经营者对信号覆盖范围有限的家庭提供服务。在更换辅助用的Femtocell基站时,经营者会在客户的移动电话月租帐单中增加一笔额外的费用,当客户处于Femtocell基站区域中,所有的移动电话使用都会被涵盖在家庭帐单当中,客户可在家中无限制的使用语音与资料而不须负担大笔的月费帐单。邻近Femtocell基站的区域则能获得高品质的连线,又可一并减少移动电话的电池使用时间,且Femtocell基站克服来自基站的3G信号须穿透墙壁的限制,也实现移动电话资料服务的高速存取,如浏览网??际网络、下载音乐及手机中的串流视频等。
低成本为Femtocell基站主要挑战
类似于无线区域网络(Wi-Fi)路由器的Femtocell基站,以获得认证的无线基础架构标准--全球移动电信系统(UMTS)和分码多重存取(CDMA)为基础。此架构与新兴的标准兼容,借着使用经营者专属的频谱提供有效率又强固的无线连接,与既有移动电话间的兼容性使连线对使用者透明化。不同于大型蜂窝网络在核心网络上具有总数高达数十或数百个基站,一组Femtocell基站的闸道须管理数千甚至上百万个Femtocell基站的节点。
Femtocell基站须能从基站以近似移动电话的成本提供所需的服务品质,这为无线电设计厂商带来颇大的挑战。Femtocell基站必须同时提供高品质的语音服务及EVDO与高速封包存取(HSPA)移动资料服务,且成本须仅能占大型蜂窝网络节点的一小部分。为克服这些挑战,Femtocell基站的设计须借助低成本生产技术及能使校正与测试时间最小化的高整合IC的优点。此外,Femtocell基站设置在家中,因此必须小巧、低成本,并可让使用者自行安装。以约100MW低功率发射的Femtocell基站为例,安装时须留意无线环境,以便减轻干扰的情况,同时符合调节方面的需要,而3G Femtocell基站须监测UMTS通道,以便侦测邻近的基站,同时还要监测全球移动系统(GSM)通道,借以在用户离开Femtocell基站区域时建立适合切换(Handover)的Femtocell基站。
射频前端整合/分离式设计各有优劣
Femtocell基站具备两种截然不同的功能,包括模拟式前端及基??频处理器。本文所提的适用于3G Femtocell基站模拟前端能在发射电路中将数位资料流转换成射频(RF)信号;而在接收链中则反之。前端的设计牵涉整合度与性能之间的取舍,虽然分离式解决方案可经过特别设计提供最佳性能,但其所需成本对Femtocell基站而言,无法接受;相反的,完全整合型解决方案能提供最低的成本,但性能却可能不足。
图2中所示为针对能支持在UMTS波段1的区域型基站作业,以及在850MHz、900MHz、1,800MHz、1,900MHz与2,100MHz波段中监测信号所设计的Femtocell基站的高位准方块图。其中还有厂商推出的混合信号前端基带收发器、整合式无线电收发器与线性放大器、开关、滤波器,以及其他来自于适合Femtocell基站精巧高性能前端的相关支持电路,以下是关于各区块的说明。

• 发射端
在发射端,数位基带会传送一组12位并行资料流至混和信号前端组件,该组件会将其转换为模拟I/Q基带信号。基带信号会通过整合式无线电发射器转换成RF,再由线性放大器增益级放大,然后传送至双工器中。功率侦测器会监测RF输出。单刀六掷(SP6T)开关会选择将何组发射或接收监测链连接至单一天线,这组信号链在RF输出连接器上提供13dBm的输出功率,同时又能够符合第三代伙伴项目(3GPP )标准TS25.104中所定义的发射邻近通道信号泄漏比(ACLR)规格。
• 接收端
接收链包含表面声波(SAW)滤波器及单极双通式(SPDT)开关,用于监测主要路径。匹配区块则是由适用每一组接收埠的简单串联/分流电感器构成。整合式无线电收发器具有三组接收器输入接脚,一组用于波段1,另两组分别用于高与低波段监测功能。波段1接收功能可在接收上行信号的1,960MHz与用以监测下行频率的2,140MHz间切换,且整合式无线电收发器将所选取的RF信号予以降频转换和滤波,使其成为基带I/ Q信号,基带信号会由混合信号前端中的双工模拟数位转换器(ADC)予以取样,并转换成适用于数位基带的双12位并行比特流。
高度整合式无线电收发器可降低BOM
图3中所示的整合式无线电收发器是一组适用于高性能3G Femtocell基站的3G收发器。以直接转换架构为基础的接收器,适用于高度整合宽频分码多重存取(WCDMA)接收器,并通过完全整合所有的级间滤波器,以减少物料清单(BOM)。接收基带滤波器提供可选择的频宽,因此WCDMA及GSM-EDGE无线电信号都能够接收,可选择的频宽搭配多重波段低杂信放大器(LNA)输入结构,使GSM-EDGE信号能被视为是UMTS家用基站的一部分而加以监测。

整合式无线电收发器包含两组完全整合的可编程频率合成器,用以产生发射与接收本地振荡器(LO)信号。其设计采用分数N型架构,以获得低杂信与快速锁定时间。所有必要的组件包括回路滤波器、压控振荡器(VCO)及电容等,都已针对发射与接收合成器加以完全整合,芯片内建的VCO,以高波段频率的两倍和低波段频率的四倍运作,使在所需频率上的VCO泄漏功率(Leakage Power)与VCO的调节范围需求最小化,该VCO采用多波段结构,借以涵盖广大的作业频率范围,此设计包含频率与振幅校正,以确保振荡器能一直在优化的性能下运作。
且振荡器在200微秒(μs)的锁相回路(PLL)锁定时间中发生的可完全自主的校正功能,不需用户的输入,内建VCO输出被送入经过调整的缓冲级,然后送至正交产生电路。经过调节的缓冲是用以确保最小电流及与LO相关的杂信会产生在VCO的传输中。正交产生器会生成高精确相位信号,用以驱动调变器与解调变器,此外,整合式无线电收发器已采取特殊的预防措施,借以提供在分频双工(FDD)系统的发射与接收链之间所需要的隔离功能。
接收器前端包含三组高性能单端LNA,使整合式无线电收发器能支持三波段应用设备。其中两组适用于1,800M~2,170MHz的高波段选项,另外一组则适用于824M~960MHz的作业。级间RF滤波功能已完全整合,以确保外部波段外的阻断器能在混频器之前被适当的衰减,单端50欧姆(Ω)输入结构使连接更为容易,同时也减少小尺寸单端双工器所需要的匹配组件,组件的线性度并可确保具有大范围SAW与陶瓷滤波双工器的良好性能。
整合式无线电收发器的高线性度的解调变器电路是用来将RF信号转换成基带同相及正交要素。两组解调变器都包含在内,一组针对高波段LNA输出优化;另一组则是针对低波段。高波段与低波段输出会被加以结合,并直接送入基带低通滤波器的第一级当中,而这会使最大阻断信号在基带放大之前遭到缩减。接收器的合成器提供从VCO分配系统驱动至混频器的正交LO。可编程除法器使相同的VCO可被使用在高波段与低波段上,上述布局解调变器与VCO分配电路的设计,就能实现90o正交相位与振幅匹配。
基带部分包含经过分配的增益与滤波功能,是为以60dB增益控制范围提供最大54dB的增益所设计。通过此设计,通带涟波(Pass-band Ripple)、波群延迟(Group Delay)、信号损耗及功率消耗等都能维持在最小化。整合式无线电收发器中的滤波器校正是在生产程序中执行,这可产生较高的精确度与易使用性,有两组可供选择的第七阶基带滤波器可以使用,一组具有适用于WCDMA的1.92MHz截止点,另一组则具有适用于GSM的100kHz截止点。
在WCDMA模式下,整合式无线电收发器能以分配于整个接收信号链的90dB增益控制范围提供102dB的增益。RF前端包含30dB的控制范围,其中18dB在LNA,12dB在混频器跨导(Transconductance)。6dB下,两组基带主动式滤波器级都可提供18dB的增益控制范围,这将会产生三组12dB,总共36dB的增益控制范围。可变增益放大器(VGA)以1dB执行24dB的增益控制范围,为简化编程与确保接收器性能和动态范围的优化,只针对总体所需接收增益加以编程即可,整合式无线电收发器将增益设定解码,并将不同区块间的增益予以自动分配。
发射器使用直接转换调变器,该转换器具有高线性度及低杂信,不须使用外部发射SAW滤波器。针对I与Q通道的差动直流(DC)耦合基带接口,能支持从1.05~1.4伏特(V)的宽广范围输入共模电压(VCM),最大容许信号摆幅为550毫伏特峰值,相当于在I或Q任一通道上1.1Vp-p的差动范围。基带输入的信号会在正交调变器之前以4MHz的截断频率通过一组第二阶巴特威士(Butterworth)滤波器,借以抑制波段外的突波,收发器中的校正技术使I/ Q平衡与相位在所有的频率和环境条件下得以维持,进而确保在所有条件下都能以良好的边限,符合3GPP载波泄漏、误差向量幅度(EVM)及ACLR的需求。整合式无线电收发器具有在190MHz偏移与-8dBm输出功率下-163dBm/Hz的宽频杂信层,同时又符合TS25.104需求,而其输出与50Ω匹配,因而与功率放大器的连接能够更为简单。
混合信号前端基带收发器须与无线电收发器ADC连接
厂商推出的混合信号前端基带收发器(图4)为适用于通信市场的整合式转换器MxFE家族的成员,适合于低成本、高性能的Femtocell基站应用。该组件整合双12位ADC及双12位数位模拟转换器(DAC)。该ADC已针对以50MSPS或更低的取样予以优化,以200MHz速度运作的DAC中包含2×或4×的插补滤波器。

图4 混合信号前端基带收发器方块图
混合信号前端基带收发器弹性化的双向24位输入/输出(I/O)汇流排能适用于各种商用基带特定应用积体电路(ASIC)或数位信号处理器(DSP),在半双工系统当中,其接口支持24位并行转换或12位交错式转换;在全双工系统当中,此接口支持12位交错式ADC汇流排及12位交错式DAC汇流排。对于FDD WCDMA,混合信号前端基带收发器会同步运作发射与接收通道,此须使用全双工模式,包括一组12位交错式Rx(接收)资料汇流排及一组12位交错式Tx(发射)资料汇流排。
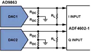
DAC核心将12位资料转换成两组互补的差动电流输出,并利用电阻器网络将其送至混合信号前端基带收发器(图5),其中RDC针对1.2伏特共模电压被设定为120Ω;而RL则针对1Vp-p差动输入摆幅被设定为63Ω。

图5 介于整合式无线电收发器与混合信号前端基带收发器间的简单界面
混合信号前端基带收发器的DAC包含可编程精密增益控制及DC偏移控制,可用来对I与Q通道之间的不匹配进行补偿,借以抑制LO的馈通(Feedthrough)与改善EVM性能, 10位DC偏移控制能对任一差动接脚独立提供达±12%的偏移,进而使任何系统偏移都能获得校正。
ADC输入是由一组2kΩ差动输入电阻与一组交换式电容器电路组成,此输入可进行自我偏压以达到中位供应电压,或可对其加以编程,使能接受外部的DC偏压。因此建议整合式无线电收发器接收基带输出可直接连接至混合信号前端基带收发器的ADC输入,而ADC输入的全范围位准为2Vp-p差动。
Femtocell基站倚赖精准时脉
Femtocell基站需要一组达±0.1ppm的精确参考时脉,以符合3GPP的规格。要执行这个非常精密时脉控制的方法已超出本文所讨论的范围,但仍然有一些可能性存在,其中包括通过监测接收器而使GSM大型蜂窝式基站同步化、全球卫星定位系统(GPS )同步化及IEEE 1588精密时序通信协定等,在某些例子当中,上述方法的组合可由Femtocell基站供应商实现,最后,参考时序控制电路将调节参考频率源极。在厂商的评估用电路板上会使用这组26MHz的电压控制温度补偿石英振荡器(VCTCXO)作为整合式无线电收发器的参考。延迟锁定回路(DLL)会产生19.2MHz的时脉,恰为3.84MHz WCDMA芯片时脉的倍数,这个19.2MHz的时脉会被用为混合信号前端基带收发器的时脉输入,且混合信号前端基带收发器具有一组包含许多变数的多功能时脉设定组态。
ADC时脉速率、DAC时脉速率、PLL及插补器设定等都可由软体控制,使功率对应性能的优化可符合需求。在建议的设定组态当中,PLL乘法器被设定为2×,PLL输出频率设定为38.4MHz;ADC则锁定为此频率的一半。在发射端,38.4MHz的PLL输出被用来锁定DAC,发射插补被设定为2×,借以抑制DAC的镜像,且时脉频率也可能会有其他组合。使用上述的时脉方案,Femtocell基站不需要任何经常会出现在大型蜂窝式基站内独立的频率转换PLL,所有的频率转换功能都已经获得整合,此有助于Femtocell基站符合市场所要求的价格点。
RF放大器还须符合低成本要求
针对RF功率级所挑选的放大器,必须是低成本、高性能、以磷化镓铟制程所生产的宽频线性放大器。放大器会将整合式无线电收发器的输出予以线性放大,并且对RF双工器与交换网络中的损耗进行补偿,两组线性放大器中,一组包含了内部偏压与匹配功能;另一组则需要外部匹配功能,并采用业界标准的塑胶材质SOT-23封装方式,且两组放大器都以5V轨直接运行,因此不需外部偏压电路。
本文分析3G Femtocell系统功能区块中各个关键组件的运作特性及所需的规格要求,包括采用直接转换架构为基础且具高整合度的无线电收发器,有助降低BOM,整合双12位ADC及双12位DAC的混合信号基带收发器,适合于低成本、高性能的Femtocell基站应用,并可符合3GPP规格的精准参考时脉,以及宽频线性RF放大器。
作者:Thomas Cameron/Peadar Forbes,ADI公司

