- 易迪拓培训,专注于微波、射频、天线设计工程师的培养
Renesas R8C-L3AC家用电器电能测量插入电表解决方案
录入:edatop.com 点击:
Renesas公司的插入电表采用R8C/L3AC 8位MCU,能用来测量和显示家用电器的耗电量.不仅能测量每个电器的能耗,而且还能测量所消耗的电量,二氧化碳的数量和其它信息,有助降低家庭的能源浪费.本文介绍了采用R8C/L3AC的插入电表方框图和推荐使用的元器件,以及R8C/L3AC主要性能和指标,方框图, R8C/L3AC入门套件主要特性,方框图和详细电路图.
Plug-in meters can be used to easily measure and display the power consumption of electric appliances used in a household. Not only can plug-in meters measure the power consumption of each electric appliance, but they can also calculate the cost of electricity consumed, the amount of carbon dioxide, and other information. This has attracted the attention of energy and eco-conscious consumers wishing to reduce the wasteful use of power in their homes.
The power consumption of electric appliances ranges broadly from several watts to more than a thousand watts. Therefore, an A/D converter with a resolution of at least 10 bits is needed for measuring the current value that greatly influence power calculation. In addition, because plug-in meters are meant to be inserted between a commercial power supply and an electric appliance, small size and low weight are required. Furthermore, low cost is also an important factor for easing adoption by every household.
To help designers realize these functions Renesas offers the 16-bit microcontroller R8C Family and the 78K0R Series. In addition, we offer a lineup of a variety of general-purpose semiconductors for use in current measurement or power supply, as well as EEPROM and other memory products for data storage, in order to meet our customers’ needs.
In particular, the R8C/Lx Series and 78K0R/Lx3 Series microcontrollers have a built-in A/D converter, a requirement for power calculation. Furthermore, since an LCD drive control circuit is built in, external parts and cost can be reduced.

图1.采用R8C/L3AC的插入电表方框图
所推荐的元器件:

The R8C/L35C Group, R8C/L36C Group, R8C/L38C Group, and R8C/L3AC Group of single-chip MCUs incorporate the R8C CPU core, which implements a powerful instruction set for a high level of efficiency and supports a 1 Mbyte address space, allowing execution of instructions at high speed. In addition, the CPU core integrates a multiplier for high-speed operation processing.
Power consumption is low, and the supported operating modes allow additional power control. These MCUs are designed to maximize EMI/EMS performance.
Integration of many peripheral functions, including multifunction timer and serial interface, helps reduce the number of system components.
These groups have data flash (1 KB × 4 blocks) with the background operation (BGO) function.
R8C/L35C性能指标:



R8C/L3AC应用:
Household appliances, office equipment, audio equipment, consumer products, etc.

图2. R8C/L3AC方块图
R8C/L3AC入门套件
Renesas Starter Kit for R8C/L3AC
The Renesas Starter Kit for R8C/L3AC is intended as a user-friendly introductory and evaluation tool for the R8C/L3AC microcontroller. The board also provides a useful platform for evaluating the Renesas suite of development tools for coding and debugging, using High-performance Embedded Workshop as well as programming the device using E8a emulator and/or Flash Development Toolkit.
The Renesas Starter Kit for R8C/L3AC may be connected to the host PC using a simple RS232 serial connection or via the included USB E8a on chip debugging interface.
The purpose of the board is to enable the user to evaluate the capabilities of the device and its peripherals by giving the user a simple platform on which code can be run only minutes from opening box. It can also prove an invaluable tool in development by providing a useful test platform for code already debugged using one of our more powerful emulation tools.
R8C/L35C入门套件包括:
CPU Board
Detachable LCD Application Board V2
Detachable LCD Display Module
Detachable AD Adjustment Shaft
E8a Emulator
Connection Cable (USB Cable, User Interface Cable)
Quick Start Guide
CD-ROM
- Documents: User Manual, Tutorial, and more
- IDE: High-performance Embedded Workshop
- C Compiler: M3T-NC30WA Evaluation Version
- Debugger: E8a Emulator Debugger
- Flash Memory Programmer: Flash Development Toolkit Evaluation Version


图3. R8C/L35C入门套件外形图

图4. R8C/L35C入门板框图

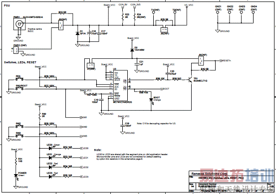
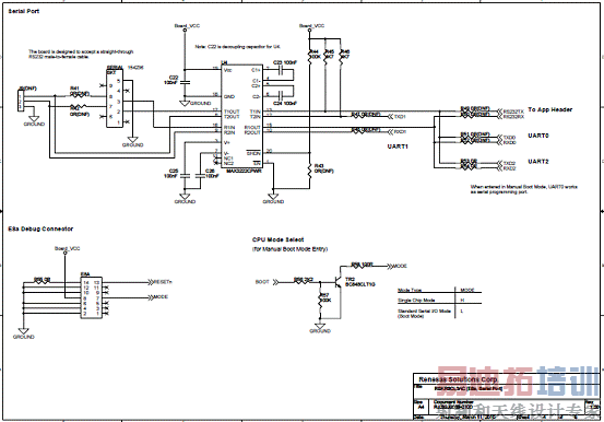
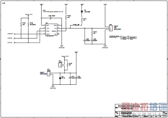
图5. R8C/L35C入门板电路图(1)

图6. R8C/L35C入门板电路图(2)

图7. R8C/L35C入门板电路图(3)

图8. R8C/L35C入门板电路图(4)

图9. R8C/L35C入门板电路图(5)

图10. R8C/L35C入门板电路图(6)

图11. R8C/L35C入门板电路图(7)
详情请见:

Plug-in meters can be used to easily measure and display the power consumption of electric appliances used in a household. Not only can plug-in meters measure the power consumption of each electric appliance, but they can also calculate the cost of electricity consumed, the amount of carbon dioxide, and other information. This has attracted the attention of energy and eco-conscious consumers wishing to reduce the wasteful use of power in their homes.
The power consumption of electric appliances ranges broadly from several watts to more than a thousand watts. Therefore, an A/D converter with a resolution of at least 10 bits is needed for measuring the current value that greatly influence power calculation. In addition, because plug-in meters are meant to be inserted between a commercial power supply and an electric appliance, small size and low weight are required. Furthermore, low cost is also an important factor for easing adoption by every household.
To help designers realize these functions Renesas offers the 16-bit microcontroller R8C Family and the 78K0R Series. In addition, we offer a lineup of a variety of general-purpose semiconductors for use in current measurement or power supply, as well as EEPROM and other memory products for data storage, in order to meet our customers’ needs.
In particular, the R8C/Lx Series and 78K0R/Lx3 Series microcontrollers have a built-in A/D converter, a requirement for power calculation. Furthermore, since an LCD drive control circuit is built in, external parts and cost can be reduced.

图1.采用R8C/L3AC的插入电表方框图
所推荐的元器件:

The R8C/L35C Group, R8C/L36C Group, R8C/L38C Group, and R8C/L3AC Group of single-chip MCUs incorporate the R8C CPU core, which implements a powerful instruction set for a high level of efficiency and supports a 1 Mbyte address space, allowing execution of instructions at high speed. In addition, the CPU core integrates a multiplier for high-speed operation processing.
Power consumption is low, and the supported operating modes allow additional power control. These MCUs are designed to maximize EMI/EMS performance.
Integration of many peripheral functions, including multifunction timer and serial interface, helps reduce the number of system components.
These groups have data flash (1 KB × 4 blocks) with the background operation (BGO) function.
R8C/L35C性能指标:



R8C/L3AC应用:
Household appliances, office equipment, audio equipment, consumer products, etc.

图2. R8C/L3AC方块图
R8C/L3AC入门套件
Renesas Starter Kit for R8C/L3AC
The Renesas Starter Kit for R8C/L3AC is intended as a user-friendly introductory and evaluation tool for the R8C/L3AC microcontroller. The board also provides a useful platform for evaluating the Renesas suite of development tools for coding and debugging, using High-performance Embedded Workshop as well as programming the device using E8a emulator and/or Flash Development Toolkit.
The Renesas Starter Kit for R8C/L3AC may be connected to the host PC using a simple RS232 serial connection or via the included USB E8a on chip debugging interface.
The purpose of the board is to enable the user to evaluate the capabilities of the device and its peripherals by giving the user a simple platform on which code can be run only minutes from opening box. It can also prove an invaluable tool in development by providing a useful test platform for code already debugged using one of our more powerful emulation tools.
R8C/L35C入门套件包括:
CPU Board
Detachable LCD Application Board V2
Detachable LCD Display Module
Detachable AD Adjustment Shaft
E8a Emulator
Connection Cable (USB Cable, User Interface Cable)
Quick Start Guide
CD-ROM
- Documents: User Manual, Tutorial, and more
- IDE: High-performance Embedded Workshop
- C Compiler: M3T-NC30WA Evaluation Version
- Debugger: E8a Emulator Debugger
- Flash Memory Programmer: Flash Development Toolkit Evaluation Version

图3. R8C/L35C入门套件外形图

图4. R8C/L35C入门板框图

图5. R8C/L35C入门板电路图(1)

图6. R8C/L35C入门板电路图(2)

图7. R8C/L35C入门板电路图(3)

图8. R8C/L35C入门板电路图(4)

图9. R8C/L35C入门板电路图(5)

图10. R8C/L35C入门板电路图(6)

图11. R8C/L35C入门板电路图(7)
详情请见:

上一篇:Maxim
71M6521高精度高集成电表解决方案~*
下一篇:Maxim
78M6631三相电源功率测量
嗖饨饩龇桨


