- 易迪拓培训,专注于微波、射频、天线设计工程师的培养
Teridian 78M6612单相双插口电源能量测量解决方案
录入:edatop.com 点击:
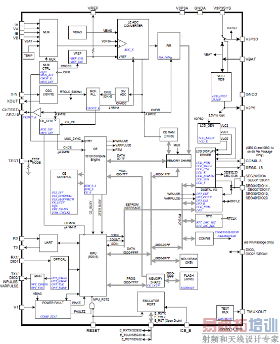
Teridian公司的 78M6612是单相双插口电源功率和能量测量和监视系统级集成电路(SOC),集成了32位计算引擎(CE),MPU核,RTD和32KB闪存,2000:1电流和温度范围内的Wh精度优于0.5%,电压基准< 40 ppm℃,超越IEC62053 / ANSIC12.20标准,满足世界最严格的电表规范。本文介绍了功能方框图,BROWNOUT,LCD和SLEEP模式的功能方框图,以及78M6612 AC-PMON评估板框图,电路图和材料清单与USB子板电路图和材料清单。
78M6612 Single-Phase, Dual-Outlet Power and Energy Measurement IC
The Teridian 78M6612 is a highly integrated, single-phase, power and energy measurement and monitoring SOC which includes a 32-bit compute engine (CE), an MPU core, RTC, and Flash. The Teridian patented Single Converter Technology with a 22-bit delta-sigma ADC, 4 analog inputs, digital temperature compensation, and precision voltage reference supports a wide range of single-phase, dual-outlet power measurement applications with very few external components. With measurement technology leveraged from Teridian’s flagship utility metering IC’s it offers features including 32 KB of Flash program memory, 2 KB shared RAM, three low power modes with internal timer or external event wake-up, 2 UARTs , I2 C/Micro wire EEPROM I/F, and an in-system programmable Flash. Complete Outlet Measurement Unit (OMU) and AC Power Monitor (AC-PMON) firmware is available or can be pre-loaded into the IC. A complete array of ICE and development tools, programming libraries and reference designs enable rapid development and certification of Power and Energy Measurement solutions that meet the most demanding worldwide electricity metering standards.
78M6612主要特性:
• Measures each outlet of a duplex receptacle with a single IC
• Provides complete energy measurement and communication protocol capability in a single IC
• Intelligent switch control capability
• < 0.5% Wh accuracy over 2000:1 current range and over temperature
• Exceeds IEC62053 / ANSIC12.20 standards
• Voltage reference < 40 ppm/℃
• Four sensor inputs – VDD referenced
• Low jitter Wh and VARh pulse test outputs (10 kHz maximum)
• Pulse count for pulse outputs
• Line frequency count for RTC
• Digital temperature compensation
• Sag detection for phase A and B
• Independent 32-bit compute engine
• 46-64 Hz line frequency range with same calibration
• Phase compensation (7)
• Battery backup for RTC and battery monitor
• Three battery modes with wake-up timer:
Brownout mode (48 μA) LCD mode (5.7 μA) Sleep mode (2.9 μA)
• Energy display on main power failure
• Wake-up timer
• 22-bit delta-sigma ADC
• 8-bit MPU (80515), 1 clock cycle per instruction w/ integrated ICE for MPU debug
• RTC with temperature compensation
• Auto-Calibration
• Hardware watchdog timer, power fail monitor
• LCD driver (up to 152 pixels)
• Up to 18 general purpose I/O pins
• 32 kHz time base
• 32 KB Flash with security
• 2 KB MPU XRAM
• Two UARTs
• Digital I/O pins compatible with 5 V inputs
• 64-pin LQFP or 68-pin QFN package
• RoHS compliant (6/6) lead-free packages
• Complete Application Firmware available

图1。78M6612功能方框图

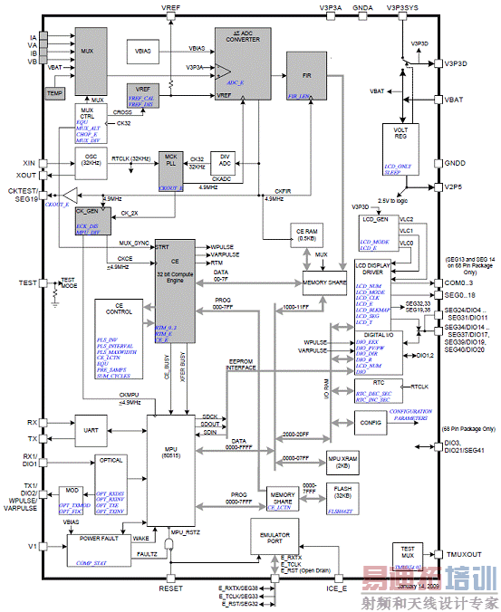
图2。78M6612 BROWNOUT模式的功能方框图(灰色表示不作用区域)

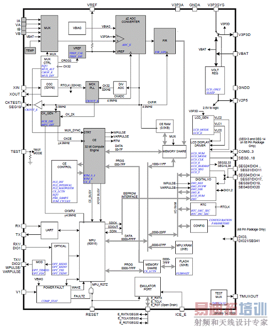
图3。78M6612 LCD模式的功能方框图(灰色表示不作用区域)

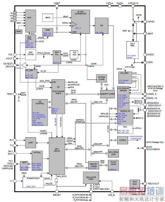
图4。78M6612 SLEEP模式的功能方框图(灰色表示不作用区域)

图5。78M6612 电表系统方框图
78M6612 AC-PMON评估板
The Teridian Semiconductor Corporation (TSC) 78M6612 AC-PMON Evaluation Board is an electrical measurement unit for performing measurements from a single electrical outlet. It incorporates the TSC 78M6612 single-phase, dual-outlet, power and energy measurement IC. The AC-PMON Evaluation Board is connected to PC through a USB cable such as one provided in the demo kit package. The Evaluation Board demonstrates the capability of the 78M6612 energy meter controller chip for measurement accuracy and overall system use.
The board is pre-programmed with demo firmware (file name 6612_OMU_S2_URT_V1_13.hex) in the flash memory of the 78M6612 IC that allows evaluation of the capability of the IC.
Included with the AC-PMON is a Windows based Graphical User Interface (GUI) for simplified access to the following measurement data and controls:
• Power, current, voltage and power factor indicator dials
• Adjustable display scales
• Minimum and peak parameter tracking
• Selectable strip chart display format
• Narrow-band versus Wide-band measurement
• Selectable sample size averaging
• Accumulated energy usage and expense tracking
• Line frequency
• Alarm indicators
• Programmable Alarm thresholds
• Data log to file
The 78M6612 AC-PMON Evaluation Board Demo Kit includes:
• 78M6612 AC-PMON Evaluation Board
• USB Daughter Board
• USB Cable Assembly USB A-B 28/24 1.8M (Tyco/Amp 1487588-3)
• CD with OMU Software and Documentation

图6。78M6612 AC-PMON评估板外形图

图7。78M6612 AC-PMON评估板应用框图

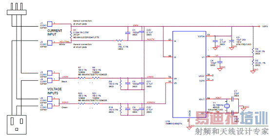
图8。78M6612 AC-PMON评估板电路图(1)

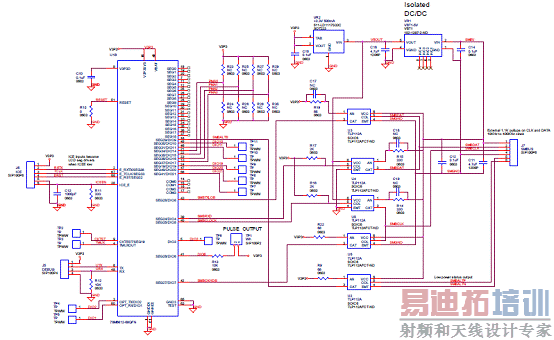
图9。78M6612 AC-PMON评估板电路图(2)
78M6612 AC-PMON评估板材料清单:


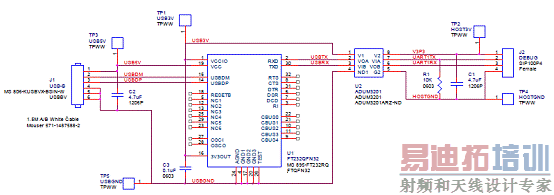
图10。USB子板电路图
USB子板材料清单:

详情请见:
http://datasheets.maxim-ic.com/en/ds/78M6612.pdf
和
http://datasheets.maxim-ic.com/en/ds/78M6612-EVM-1.pdf
78M6612 Single-Phase, Dual-Outlet Power and Energy Measurement IC
The Teridian 78M6612 is a highly integrated, single-phase, power and energy measurement and monitoring SOC which includes a 32-bit compute engine (CE), an MPU core, RTC, and Flash. The Teridian patented Single Converter Technology with a 22-bit delta-sigma ADC, 4 analog inputs, digital temperature compensation, and precision voltage reference supports a wide range of single-phase, dual-outlet power measurement applications with very few external components. With measurement technology leveraged from Teridian’s flagship utility metering IC’s it offers features including 32 KB of Flash program memory, 2 KB shared RAM, three low power modes with internal timer or external event wake-up, 2 UARTs , I2 C/Micro wire EEPROM I/F, and an in-system programmable Flash. Complete Outlet Measurement Unit (OMU) and AC Power Monitor (AC-PMON) firmware is available or can be pre-loaded into the IC. A complete array of ICE and development tools, programming libraries and reference designs enable rapid development and certification of Power and Energy Measurement solutions that meet the most demanding worldwide electricity metering standards.
78M6612主要特性:
• Measures each outlet of a duplex receptacle with a single IC
• Provides complete energy measurement and communication protocol capability in a single IC
• Intelligent switch control capability
• < 0.5% Wh accuracy over 2000:1 current range and over temperature
• Exceeds IEC62053 / ANSIC12.20 standards
• Voltage reference < 40 ppm/℃
• Four sensor inputs – VDD referenced
• Low jitter Wh and VARh pulse test outputs (10 kHz maximum)
• Pulse count for pulse outputs
• Line frequency count for RTC
• Digital temperature compensation
• Sag detection for phase A and B
• Independent 32-bit compute engine
• 46-64 Hz line frequency range with same calibration
• Phase compensation (7)
• Battery backup for RTC and battery monitor
• Three battery modes with wake-up timer:
Brownout mode (48 μA) LCD mode (5.7 μA) Sleep mode (2.9 μA)
• Energy display on main power failure
• Wake-up timer
• 22-bit delta-sigma ADC
• 8-bit MPU (80515), 1 clock cycle per instruction w/ integrated ICE for MPU debug
• RTC with temperature compensation
• Auto-Calibration
• Hardware watchdog timer, power fail monitor
• LCD driver (up to 152 pixels)
• Up to 18 general purpose I/O pins
• 32 kHz time base
• 32 KB Flash with security
• 2 KB MPU XRAM
• Two UARTs
• Digital I/O pins compatible with 5 V inputs
• 64-pin LQFP or 68-pin QFN package
• RoHS compliant (6/6) lead-free packages
• Complete Application Firmware available

图1。78M6612功能方框图

图2。78M6612 BROWNOUT模式的功能方框图(灰色表示不作用区域)

图3。78M6612 LCD模式的功能方框图(灰色表示不作用区域)

图4。78M6612 SLEEP模式的功能方框图(灰色表示不作用区域)

图5。78M6612 电表系统方框图
78M6612 AC-PMON评估板
The Teridian Semiconductor Corporation (TSC) 78M6612 AC-PMON Evaluation Board is an electrical measurement unit for performing measurements from a single electrical outlet. It incorporates the TSC 78M6612 single-phase, dual-outlet, power and energy measurement IC. The AC-PMON Evaluation Board is connected to PC through a USB cable such as one provided in the demo kit package. The Evaluation Board demonstrates the capability of the 78M6612 energy meter controller chip for measurement accuracy and overall system use.
The board is pre-programmed with demo firmware (file name 6612_OMU_S2_URT_V1_13.hex) in the flash memory of the 78M6612 IC that allows evaluation of the capability of the IC.
Included with the AC-PMON is a Windows based Graphical User Interface (GUI) for simplified access to the following measurement data and controls:
• Power, current, voltage and power factor indicator dials
• Adjustable display scales
• Minimum and peak parameter tracking
• Selectable strip chart display format
• Narrow-band versus Wide-band measurement
• Selectable sample size averaging
• Accumulated energy usage and expense tracking
• Line frequency
• Alarm indicators
• Programmable Alarm thresholds
• Data log to file
The 78M6612 AC-PMON Evaluation Board Demo Kit includes:
• 78M6612 AC-PMON Evaluation Board
• USB Daughter Board
• USB Cable Assembly USB A-B 28/24 1.8M (Tyco/Amp 1487588-3)
• CD with OMU Software and Documentation

图6。78M6612 AC-PMON评估板外形图

图7。78M6612 AC-PMON评估板应用框图

图8。78M6612 AC-PMON评估板电路图(1)

图9。78M6612 AC-PMON评估板电路图(2)
78M6612 AC-PMON评估板材料清单:


图10。USB子板电路图
USB子板材料清单:

详情请见:
http://datasheets.maxim-ic.com/en/ds/78M6612.pdf
和
http://datasheets.maxim-ic.com/en/ds/78M6612-EVM-1.pdf


