- 易迪拓培训,专注于微波、射频、天线设计工程师的培养
高电源抑制比性能的线性稳压器
录入:edatop.com 点击:
电源抑制比在低频时最大,依照实际稳压器设计,从1kHz到10kHz范围内开始下降。
图2为AS1358-9 150mA/300mA低噪声、高电源抑制比LDO的典型PSRR特性。
该组件在100kHz时仍具有60dB的良好PSRR值。

图2:AS1358-9组件的电源抑制比。
图2所示的曲线,是由取决于感兴趣频率的众多主导影响共同形成的。在直流与接近100Hz到1kHz区间内,抑制效果取决于带隙基准和稳压器误差信号放大器的开环增益。而在该区间之上直到约100kHz,抑制效果主要取决于误差信号放大器的开环增益。但在100kHz以上时,电源抑制比主要受输出电容、寄生组件以及调整管上的任何漏电流及封装影响。图1标示了这些组件。
如果对100kHz以上频率有额外的电源抑制要求(通常也是需要的),那么在输入端必须连接一个外部的预滤波网络来增强LDO的抑制性能。
外部网络
在实际应用中,只有两种预滤波方法值得考虑,这是因为必须防止在额外的组件上产生过多功耗,同时要保持稳压器的稳定性。

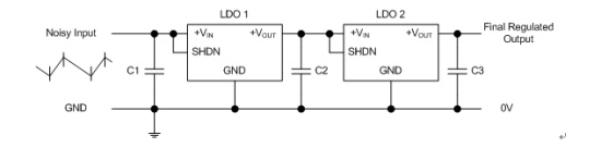
图3:串联LDO可产生很高的PSRR。

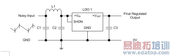
图4:外部输入网络可提供额外的抑制性能。
作者:Andy Fewster 来源:电子工程专辑
上一篇:一个IP分布式小型呼叫中心实例
下一篇:紧急广播技术全面解析


