- 易迪拓培训,专注于微波、射频、天线设计工程师的培养
高电源抑制比性能的线性稳压器
录入:edatop.com 点击:
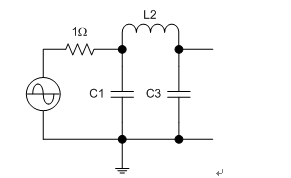
图6提出了归一化到1Ω源阻抗和1rad/s频率下的元件值。注意,滤波器输出端并未端接终端电阻,这将允许将其连接到线性稳压器的高输入阻抗上。
D栏包含了由非理想元件引起的损耗,并标示了通带损耗。
对电源滤波来说,不必严格地符合巴特沃斯特性;毕竟滤波器在直流点只有很小的损耗。

图6a:归一化到1Ω和1rad/s的三极点巴特沃斯统一耗散值。


图6b:三极点巴特沃斯统一耗散滤波器。
作者:Andy Fewster 来源:电子工程专辑
上一篇:一个IP分布式小型呼叫中心实例
下一篇:紧急广播技术全面解析


