- 易迪拓培训,专注于微波、射频、天线设计工程师的培养
DC-DC开关转换器的EMI方案
在欧洲和美国,例如,传导噪声是按 FCC 和 VDE标准 A 级和 B 级 限制严格管理的。在欧洲,所有国家均要求家用电器和工业设备的传导噪声辐射应满足 VDE 标准 B 级要求。在美国,工业设备的传导噪声辐射应满足 FCC 标准 A 级要求,家用电器的传导噪声辐射应满足更严格的 FCC 标准 B 级要求。
减少输入端噪声的 EMI 滤波方案
现时多数的开关电源的开关频率在 100 kHz 至1 MHz 之间。通常反射到电网之传导噪声频谱上的主要尖峰来自开关频率之基频及其谐波分量。
一些传导排放标准,如 EN55011 及 EN55022 设定转换器及电源系统反射到电网的准峰值及平均值;反射传导噪声需要在限制 150 kHz 至 30 MHz间。要符合这些要求,所有高峰频谱上的传导噪声,必须低于规定的限度。
滤波方案的组件及封装
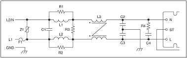
EMI 滤波器经常被设置在一个单独封装内(如图1 的配置)。一般的 EMI 滤波器是穿孔式的,带上共模扼流圈和 Y电容 (线到地),再加两个电感器和 X电容 (线到线)。瞬变保护由 Z1 负责。这结构的输入损耗足以符合级别B 传导排放标准。

图1 – 符合EN55022级别B标准的EMI滤波器
然而,一般的电源设计都加上电容、电感及滤波器来减少或衰减共模和常模传导噪声。首先,加上个别组件或滤波器对噪声谱的影响,显示了一个全共模滤波器导致的结果。它们的效果可以在噪声频谱上显示出来。
图2a 的左边显示一个 48 V 输入 DC-DC 转换器,在输入端接上一个差模电容 C1 (120F,100 V)。用以保持低输入阻抗,稳定电压和提升瞬变反应。它为模块储能。愈靠近输入端,其效果更佳。
现在,以一个模块加一个电容器作为开始的基础。图2a 右边的图谱;显示了一个 48 V 输入,150 W满载工作的 DC-DC 转换器连接差模电容后的噪声谐波含量,及按级别 A 和 B 要求的 EMI 和谐波标准。如果只加上差模电容;转换器明显不能满足要求。因为电源元件不是为配合任何指定的 EMI标准而设计的。
图2b 显示加上旁路电容及差模电容的情形。注意每个接在输入端上旁路电容是与基板接地的,而每个接在输出端上旁路电容是与基板连接的。通常的电解电容值是 4700 pF,100 V 的 Y电容。噪声水平虽仍未能达到标准,但已有很明显的改善。
相对于 3.3 V、半载,48 V 输入、满载应用所产生的噪声较高,但从图2b 的图谱显示,已经有明显的改善。
就算加上一个 27 H 的差模电感 L1 (图2c),低频噪声仍达不到级别B 的标准。
图2d 显示加上共模扼流圈后的情况。由于共模扼流圈也具差模电感,可取代差模扼流圈。共模电感加强了 Y电容的能量。这是由于共模扼流圈对转换器产生之共模噪声形成高阻抗,使噪声沿着较低阻抗之路径,经 Y电容传到地。

图2 - 48 V, 150 W DC-DC转换器接上不同器件的噪声频谱。
a.差模电容 b.旁路电容 c.差模电感 d.共模滤波器 (去掉差模扼流圈)
48 V 转换器的噪声现时只是稍高过级别B 标准;需要再加上滤波器。而在 3.3 V 应用,加上一个共模滤波器后,不论是满载或半载都完全符合级别B 的标准。
EMC电磁兼容设计培训套装,视频教程,让您系统学习EMC知识...
射频工程师养成培训教程套装,助您快速成为一名优秀射频工程师...
上一篇:通过改变电源频率降低EMI性能
下一篇:屏蔽新设计抑制板级电磁干扰

